
产品分类
更新时间:2023-11-13
浏览次数:633胡冠楠
开云官方端网站登录入口电气股份有限公司 上海嘉定
【摘要】海上平台低压系统一般采用IT系统,发生单相接地故障时故障电流很小,不足以激励保护装置动作,使故障设备自动跳闸,因此可以维持设备的运行状态不中断,供电连续性较好。但若故障不能及时排除故障电流和过电压可导致相间短路,造成断电停产并加大发生火灾和人身触电事故的风险。因此有必要安装绝缘监测装置,在发生接地故障时立即报警并定位故障点,从而及时排除故障,保证平台的正常生产和人员安全。
【关键词】海上平台;低压系统;绝缘监测;故障定位
0 行业背景
海洋平台电力系统为孤岛系统,常为单一电源,一旦发生故障断电,不仅会导致平台停产,造成经济效益损失,严重故障时还可能发生触电事故甚至引起火灾危及平台的安全,所以油气处理用电设备较多的低压系统一般采用IT系统IT系统发生单相接地故障时故障电流很小,不足以激励保护装置动作,使故障设备自动跳闸,因此可以维持设备的运行状态不中断,供电连续性较好。但若故障不能及时排除 故障电流和过电压可导致相间短路 造成断电停产并加大发生火灾和人身触电事故的风险。长期以来IT系统发生单相接地故障时只能靠人工逐一断开数百个负载回路来排查,不仅耗时费力,还会破坏设备供电的连续性,另外频繁开断断路器也可能会引起操作过电压。因此有必要安装带故障定位的绝缘监测装置在发生接地故障时立即报警并定位故障点从而及时排除故障,保证平台的正常生产和人员安全,并可将监控信息通过工业以太网接入全矿的综合管控平台,实现整个低压配电系统的远程监控。
1 IT系统优缺点分析
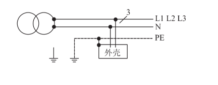
IT系统示意图如图1所示,即电源变压器二次侧中性点不接地,用电设备外壳接地。海上平台低压配电系统一般不引出N线,也无PE线,用电设备外壳直接经平台钢结构接地。

图1
1.1主要优点
系统发生单相绝缘故障时故障电流为系统对地电容泄漏电流,数值很小,不会引起继电保护装置动作,保证了供电连续性;故障时线电压保持不变,也就不会影响三相用电设备的正常运行,另外较小的故障电流形成的接触电压很低,不会对人体造成伤害以230V系统中的某一相为例,如图2所示。

图2
1.2主要缺点
系统发生单相绝缘故障时,虽然故障电流数值较小,但若该电流长时间侵袭电缆和设备的绝缘,可能引起故障点绝缘燃烧,导致相与相之间的故障 ;单相绝缘故障时非故障相的对地电压会由相电压升高为线电压长时间不排除故障可使非故障相也出现新的故障形成两相接地短路。当配电线路过长时线路分布电容较大IT系统将等效于TT系统,若发生绝缘故障,故障电流会显著变大 ,产生危险的接触电压,导致人身触电事故的发生,以230V系统某一相为例如图3所示。

图3
2 产品介绍
AIM-T500L系列工业绝缘监测及故障定位系统是开云官方端网站登录入口电气专为工业场合如矿井、玻璃厂、电炉和试验设备、船舶、冶金厂、化工厂、爆炸危险场所、计算机中心及应急电源等IT配电系统而研发。
该系统功能丰富,包括绝缘电阻监测、绝缘故障预警、绝缘故障报警、事件记录、参数设置、通讯组网等,当系统出现接地故障时,能及时报警,并准确定位故障发生的具体回路,以提醒相关人员及时排查故障。
绝缘监测即监测系统的绝缘阻抗,基于欧姆定律,采用低频电流注入法系统由绝缘监测仪、测试信号发生器、故障定位仪和传感器即电流互感器组成如图4所示。
绝缘监测仪向低压系统注入低频交流信号,绝缘监测仪内含有对工频电流高而对低频电流低的阻抗。当系统没有发生绝缘故障时,该主机可测量系统和每个回路的对地绝缘电阻和泄漏电容,通过设置绝缘阻抗预设值可实现对绝缘故障的预防;当系统发生绝缘故障时,低频电流信号通过故障点经大地回到绝缘监测仪,绝缘监测仪通过计算分析后发出故障报警故障定位装置通过电流互感器定位故障回路。

图4
3 功能介绍
AIM-T500L绝缘监测仪具有以下功能:
实时监测IT系统的对地绝缘电阻,电阻越限启动故障预警或报警功能;继电器报警输出、LED报警输出等多种故障指示方式;事件记录功能,方便操作人员查看分析故障类型和发生时间,判断系统运行状况;自检功能,可一键实现仪表硬件电路的故障自检;断线监测,实时监测PE/KE功能接地线连线状况;一路RS485接口,标准Modbus-RTU协议;一路CAN通讯,自定义协议,用于和信号发生器、故障定位仪信息交互;应用范围广,适用于交流、直流以及交直流混合IT系统。
ASG200测试信号发生器具有以下功能:
指示故障所在相线;支持手动启动定位用于测试通讯线路;采用CAN总线技术,方便与系统内其它设备进行数据交互。
AIL200-12绝缘故障定位仪具有以下功能:
定位并指示故障所在支路;单个AIL200-12*多可定位12个回路;每个IT系统*多可接90只定位仪,总计定位1080回路;采用CAN总线技术,方便与系统内其它设备进行数据交互。配合使用AKH-0.66L系列电流互感器作为监测互感器,变比1000:1,按照回路额定电流选择合适孔径;
4 技术指标
AIM-T500L绝缘监测仪技术指标
项目 | 指标 | ||
辅助电源 | 电压 | AC85~265V;DC100~300V | |
功耗 | <8W | ||
电压等级 | 系统电压 | AC 0~690V;DC 0~800V | |
频率范围 | 40~460Hz | ||
绝缘 监测 | 绝缘电阻测量范围 | 1k~10MΩ | |
预警、报警值范围 | 10k~10MΩ | ||
响应时间(Ce=1uF) | <5s | ||
允许系统泄漏电容 | <500μF | ||
内部参数 | 测量电压 | <50V | |
测量电流 | <270μA | ||
内部直流阻抗 | ≥180kΩ | ||
输出 | 继电器输出 | 出错、报警、预警 | |
通讯 | 通讯参数 | RS485,Modbus-RTU;CAN,自定义 | |
环境 | 工作温度 | -15~+55℃ | |
存储温度 | -20~+70℃ | ||
相对湿度 | <95%,不结露 | ||
海拔高度 | ≤2500m | ||
ASG200信号发生器技术指标
项目 | 指标 | ||
辅助电源 | 电压 | AC85~265V;DC100~300V | |
功耗 | <7W | ||
电压等级 | 系统电压 | 单相交流220V,三相交流0~690V,直流0~800V | |
内部参数 | 定位电压 | 1k~10MΩ | |
定位电流 | 10k~10MΩ | ||
响应时间 | <5s | ||
通讯 | 通讯参数 | CAN,自定义 | |
AIL200-12绝缘故障定位仪技术指标
项目 | 指标 | ||
辅助电源 | 电压 | AC85~265V;DC100~300V | |
功耗 | <5W | ||
内部参数 | 响应时间 | <12s | |
响应电流 | 0.5mA | ||
输出 | 继电器输出 | 报警 | |
通讯 | 通讯参数 | CAN,自定义 | |
5 平台低压系统系统配置方式
海洋石油平台低压系统包括400V系统和230V系统,400V系统电源侧一般为两台变压
器供电,双母线带常开母联,正常工况下分列运行,应急工况下由应急柴油发电机供电主要为油气处理用电设备供电回路可达数百个。230V系统电源侧为单台变压器供电主要为照明小功率和电伴热系统供电每个230V照明或伴热系统回路数一般为一百个左右。
400V系统绝缘监测装置可在每个电源进线处配备一台绝缘监测主机,以便满足不同工况下的绝缘监测。需要注意的是在正常工况和黑启动等工况下,当一个系统内有两台及以上绝缘监测主机时须保证只能有一台主机向系统注入低频电流否则会导致绝缘监测结果不准确。因此 有必要把电源进线开关和母联开关的状态接入各监测主机并设置联锁。
考虑到400V系统负载回路较多,若为每个回路都安装绝缘故障定位装置,投资较大,可选择只为工艺流程或安全所需的重要回路安装故障定位装置,其他回路可在故障报警后使用便携故障定位器人工定位而无需断开每个回路。230V系统与单个400V系统类似可采用相同的配置方式。
6 结语
为海上石油平台低压IT系统配置绝缘监测装置后,不仅可在线监测系统的绝缘电阻和泄漏电容还可对部分重要回路的绝缘阻抗进行监测预防绝缘故障的发生。发生绝缘故障后绝缘监测装置能发出报警并自动或人工定位故障回路,可及时切除故障回路 杜绝二次故障的发生,保证供电连续性提高系统安全性。