
产品分类
更新时间:2023-11-13
浏览次数:839胡冠楠
开云官方端网站登录入口电气股份有限公司 上海嘉定
【摘要】近几年,光伏发电技术迅猛发展,光伏扶贫电站及分布式光伏使光伏发电走进千家万户。然而光伏发电设备运行期间仍存在隐患。及时发现并解决*常见异常运行故障,可以很大地提高光伏发电设备可利用率,是保证光伏发电设备正常运行、满足收益要求的保障。
【关键词】光伏电站;绝缘阻抗异常;太阳能
0.概述
光伏发电是依托电力电子技术,利用太阳光照将太阳能转化为电能的系统。光伏发电不需要使用化石燃料,减少了发电时产生的污染,并且减少了能源消耗。光伏发电依托政策扶持,快速在国内普及。光伏发电与传统火电发电原理不同,因为没有旋转机械,光伏发电设备故障率较低,不需要实时监视维护,所以光伏发电系统也可安装在民居屋顶,百姓也可以享受发电红利。随着光伏装机容量的不断扩大光伏运维检修人才短缺的问题逐渐显现,这导致光伏电站故障处理效率较低,达不到预期收益率。因此相关人员要对光伏发电常见故障进行充分了解和分析,建立起科学的运维管理模式及故障排查处理方法。
1.光伏发电系统
大型地面光伏电站是由光伏组件、支架、逆变器、汇流箱、升压变等设备组成。光伏组件经过很多串并联之后接入逆变器直流输入端并经过逆变器的变换流电,再经过变压器送入电网。而多块光伏组件串并联后构成光伏组串,布线复杂、支路多、距离长是光伏组串的特点,其发生直流接地故障概率非常高。故障现象多见于传输线路上,干燥情况下,一般不易发生,在下雨、天气潮湿天气中,问题暴露较为明显。
2.光伏场区故障原因
由于大型光伏电站项目的特殊性,上网电价受并网时间的影响这造成工期紧、任务重。同时光伏电站占地面积大,施工过程中工作点多面广。光伏电站建设时多用闲置荒地、山地作为组件安装地点存在施工难度大的特点。电缆沟回填时,由于部分区域取沙困难,施工方直接使用电缆沟附近的石块回填,导致电缆绝缘损伤,造成低压电缆接地故障或断线:施工过程中,电缆放线未使用滑轮,而是拖拽电缆,地面的石块容易划伤低压电缆,电缆埋入地下后,随着雨水侵入或土地的不均匀沉降,造成低压电缆接地故障或断线:组件安装工人为当地农民,缺乏安装经验,光伏组件安装时,将组件线缆挤压在组件与光伏支架间,随着运行时间的增长,组件线缆被挤压绝缘破损;设备制造单位制造工期短、任务紧,易采购到质量较差的元器件,经过大电流运行后,元器件易损坏。以上是光伏场区发生故障的主要原因。3.光伏场区的主要故障
无论采用集中式逆变器还是采用组串式逆变器,光伏电站*多的设备就是光伏组件,一座50MWp的光伏电站,若采用275Wp规格的光伏组件需要182900余块。巨大数量的光伏组件,以及串抵押电缆的光伏组件成为光伏发电系统中故障率*高的设备。“绝缘阻抗异常"成为光伏电站*常见的故障,该故障轻则导致带由故障组件串支路的逆变器告警运行,或停机且不能自动并网,严重则可导致故障点放电引发火灾或人身触电事故。因此,若发生“绝缘阻抗异常"故障,及时发现并消除。查找“绝缘阻抗异常"故障点的方法是消除该故障的关键。
当今市面上运行的光伏逆变器大多数具有直流侧绝缘监测功能,当逆变器直流侧系统发生接地故障时,逆变器都能够检测出正极或负极绝缘异常,并且通过光伏电站布置的通信系统,将故障报警信号发送至电站控制室的后台监控计算机上。但逆变器不能判断出具体的故障点,更不能及时做出故障隔离,因此后续的故障点查找就需要人工完成。
3.产品应用
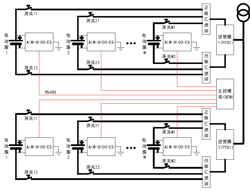
储能系统的架构决定了系统中不能多个绝缘监测模块同时工作,否则会因相互干扰,导致误报,使得系统无法运行。该示例中,系统采用主控模块来控制各绝缘监测仪的工作,采用分时控制策略,保证同一时间内只1只绝缘监测仪在工作,各个绝缘监测仪之间不会相互干扰的同时,保证储能系统时刻都能进行绝缘监测,保障系统的安全性、稳定性和可靠性。
4.产品简介
AIM-D100-ES 型直流绝缘监测仪主要用于在线监测直流不接地系统正负极对地绝缘电阻,当绝缘电阻低于设定值时,能发出预警和报警信号。产品可测 100-1500V 的直流系统,可应用于储能直流系统、电动汽车充电装置、UPS供电系统、光伏直流系统、直流电网等直流系统的绝缘监测。
辅助电源 | 24VDC | |
功耗 | ≤6W | |
直流系统 | 电压范围 | 100~1500VDC |
测量精度 | 0.5级 | |
绝缘监测 | 绝缘电阻范围 | 1KΩ~10MΩ |
精度 | ≤3% | |
允许系统泄露电容 | ≤5uF | |
*快测量时间 | 200ms | |
通讯 | RS485通讯,ModBUS-RTU协议 | |
安装方式 | 壁挂/导轨 | |
环境参数 | 工作温度 | -15~ 55℃ |
存储温度 | -20~ 70℃ | |
相对湿度 | <95%,不结露 | |
海拔高度 | <2000米 | |
仪表具体的接线端子和典型接线如下所示:
5.结语
光伏发电系统布线复杂、支路多、距离长,不可避免的会有啮齿类动物咬破电缆、线缆自然老化、施工质量或外力等因素而导致线缆绝缘层的破坏,使光伏线缆正极或负极对地间的绝缘电阻值降低至某一规定值出现直流接地故障。直流接地会造成逆变器停机,无法正常工作,直接影响了光伏电场的发电量和经济效益,因此直流接地故障发生后要及时排除。
开云官方端网站登录入口AIM-D100-ES直流绝缘监测仪可在线监测直流系统对地阻抗,及时发现电池簇阻抗下降的情况,并且可根据组策略判断故障电池簇,方便维保人员处理。