
产品分类
更新时间:2023-03-03
浏览次数:569摘 要
针对小区内密集型母线槽与插接箱相连接的触点位置容易发生老化而导致老化部位异常升温的问题,设计了一种非接触式密集型母线槽测温系统。通过非接触式红外测温模块进行母线温度的采集,再由4G数据传输模块将数据上传至服务器,并在客户端中的可视化界面进行温度监测预警、设备管理等操作。经过实际使用检验,该系统能对整个小区内各位置的插接箱进行温度监测,并能远程进行监控管理,具有实用性和拓展性。
关键词 :密集型母线槽 ;红外测温系统 ;实时监控 ;4G 数据传输
0 引言 在密集型母线槽系统中,密集型母线槽通过母排与插接箱后板上的金属弹片进行插接而相连,由于安装环境狭窄,安装过程不易把控,很难保证接触良好,容易使插接点接触电阻过大。再加上长时间大电流运行以及空气的氧化等多种因素的影响,插接点母线易发生老化,使得接触电阻继续变大。该处电流的热效应变大,从而导致母线温度的升高。母线温度超过了一定阈值时,将会对电力系统设备造成危害,甚至发生火灾。在某楼盘的施工、运维和厂家现场测试中,47个插接箱有6个点的接触电阻达到毫欧级,高的达到数十毫欧级。按照接触电阻为10 mΩ,通过电流为250 A来计算,接触点的发热功率 P =I 2 R =250 A×250 A×10 mΩ=625W,相当于一台家用电热器的功率,可见一旦接触电阻过大将导致温度迅速上升。因此对母线温度的实时监测预警是十分有必要的。 插接箱数量多,且处在一种高压、大电流的环境中,采用人工去定期检查的方法具有工作量巨大、危险性高以及不全面性,同时也不具备实时性。 目前大多采用温度传感器测量母线温度以及通过各种通信设备将温度数据汇总传输到客户端的方案来实现对母线的实时测温[5]。
1 整体设计方案 本文介绍一种非接触式密集型母线槽测温系统,测温系统结构框图如图1所示。
在插接箱中每根母线上方各放置一个MLX90614红外测温传感器模块,每个测温模块将测得的温度数据通过I2 C总线发送给MCU,MCU将接收到的温度数据进行处理后发送给 4G 数据传输模块,4G 数据传输模块将收到的温度数据发送到云端服务器,每个插接箱中放置这样一个负责监测和发送数据的部分系统,若干个这样的部分系统连接在云端服务器上就组成以云端服务器为中心节点、插接箱内部分系统为子节点的星形网络结构。云端服务器负责将接收到的所有温度信息展现在客户端,在客户端进行母线温度的实时监测及预警,形成了插接箱温度的采集、传输、可视化监控的测温系统。从插接箱火线与零线之间取电作为输入电压,由电源模块降压处理得到稳定的输出电压为整个系统各个模块进行供电。
2 硬件设计电路
在每个插接箱中都存在一个终端测温传输硬件系统,采用STM32F103x8作为主控芯片设计外围电路。STM32F103x8内核为32位高性能 ARM Cortex-M3处理器,时钟频率高达72 MHz,能够以足够高的频率对各温度数据进行采集。其还具有2个I2 C接口、5 个串口和S P I接口,有足够的对外部设备进行相互通信的接口。STM32F103x8读取各个测温模块的温度值,进行比较处理,将处理好的温度数据发送给4G数据传输模块。
2.1 终端测温传输硬件设计 终端测温传输硬件设计电路主要由降压供电电路、红外测温部分电路、串口发送电路、时间电路、滤波和指示电路组成。
2.1.1 降压供电电路 降压供电电路如图 2 所示。从插接箱母线的火线和零线引出电压连接到P2端子,串入保险丝保护电路,高电压通过铁芯变压器( T1)和A P12N12芯片进行降压,再经过电容C 10、C 11 进行滤波,得到稳定的 12 V 电压为4G数据传输模块提供工作电压,12V电压再经过 A S M1117 芯片降压以及 C 2、C 9 进行滤波,得到系统稳定运行所需要的 3.3 V 电压。
2.1.2 红外测温部分电路 文中所选用的测温器件是MLX90614红外测温模块。M L X90614 红外测温模块采用标准的I2 C通信协议,其体积小、成本低,温度测量范围在-70 ~ 380℃之间,温度测量误差在±0.5 ℃(室温下),此系统非接触式测温的要求。每个插接箱内的 4 个测温模块连接图如图3所示。
每个MLX90614红外测温模块都通过SCL和SDA并联在I2 C 总线上,其供电接口VSS 和 VDD并联在电源线上,在每个模块的VSS和VDD之间都接入了一个100nF的电容进行滤波,使模块能够稳定的工作。将P12端子的1、2 引脚分别连接到3.3 V和GND,将 3、4 引脚分别连接到 STM32F103x8芯片的SCL和SDA引脚,STM32F103x8通过 I2 C协议向4个不同 I2 C 地址的MLX90614 红外测温模块进行温度数据的读取。
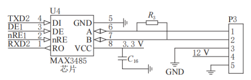
2.1.3 串口发送电路 由于插接箱处在高电压、大电流的环境中,STM32F103x8与4G数据传输模块的信号传输容易受到电磁干扰。为实现STM32F103x8的TTL电平与4G数据传输模块的RS -485 接口信号之间的稳定转换,选用MAX3485芯片设计串口发送电路。 MAX3485是用于RS-485通信的3.3V低功耗收发器,每个器件中都具有一个驱动器和一个接收器,驱动器具有短路电流限制,并可以通过热关断电路将驱动器输出置为高阻状态,防止过度的功率损耗。接收器输入具有失效保护特性,当输入开路时,可以确保逻辑高电平输出。S T M32F103x8 通过 M A X3485与4G数据传输模块进行稳定的数据传输,端子P3的 1、2、3 接口分别与 4G 数据传输模块的 A、B、 G N D 相连接,4、5 接口与4G数据传输模块的电源接口相连接。串口发送电路如图4所示。
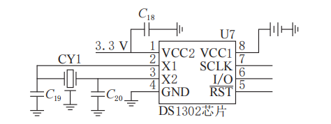
2.1.4 时间电路 为了给系统提供准确的时间进行间隔 5 m i n 发送一次数据到客户端,采用 D S1302 芯片设计时间电路,DS1302是一个实时时钟芯片,可以提供秒、分、小时、日、月、年等信息,并且还有软件自动调整的能力。其采用SPI通信为STM32F103x8提供准确的时间信息,时间电路图如图5所示。 
2.1.5 滤波和指示电路 在3.3V 和GND之间并联6个100nF电容C 3 ~ C 8 进行滤波平滑电压。指示灯U6为电压正常测试指示灯,指示灯U5为测试程序指示灯,为后期检修、调试提供方便。滤波和指示电路原理图如图6所示。 
2.2 USR-DR504(4G数据传输模块) 由于各插接箱相距较远,所在的楼层位置不同,造成了通信传输困难的问题。为了解决通信问题,采用了4G-DTU( 数据传输模块 ),在有4G网的地方都能实现通信功能,不受地理位置和环境的限制。 USR-DR504 是一款导轨式4G-DTU,支持移动、联通、电信4G网络,以“透传"作为功能核心,具有高度易用性,可实现STM32F103x8串口到网络云端服务器的双向数据透明传输,具有高速率、低延时的特点。设计中选择其网络透传模式 (NET),在此模式下,STM32F103x8可以通过串口连接USR-DR504发送温度数据到的HTTP服务器,其数据传输示意图如图7所示。
3 系统软件设计 3.1 温度采集、处理、发送软件设计 系统温度采集、处理、发送软件设计流程图如图8所示。在系统上电后开始工作,然后对I2C通信、 实时时间、GPIO口等进行初始化,再通过I2C通信读取各测温模块的温度数据,一次读取10组数据,将10组数据采用滤波算法处理,避免出现错误数据导致系统误判,将滤波后的温度数据与设置的温度阈值进行比较。若温度值高于设定的阈值,则立即向 4G 数据传输模块发送预警信号以及对应测温模块的温度数据,若温度值低于设定的阈值,则判断距离上次 4G 数据传输模块正常发送温度的时间是否已经到达5min,若已到达则向4G数据传输模块发送各个模块测得的温度数据,若未到达,则重新回到温度数据读取步骤。
3.2 客户端软件设计 系统设计了一个可视化的温度监测管理远程客户端,其对4G数据传输模块发送到服务器的数据进行分类管理,主要功能包括数据大屏可视化、配置管理、日志记录三大部分。数据大屏可视化的界面将各楼层位置和温度数据可视化显示,方便查看。 配置管理包括通信终端管理、监测设备管理、温度探头管理、位置管理,方便在客户端上对各插接箱内温度探头和设备进行管理。日志记录是指温度监控记录以及管理者的操作记录。
4 系统测试与分析 让系统开始运行,在客户端中查看一个插接箱在一天内各个时间点的每个测温模块的温度数据。收集到的数据绘制成温度变化趋势图如图9所示,在一天时间里均匀地取80个时间点的数据作为参考。由图 9 可以看出,整个系统正常运行,能够实时监测插接箱内各母线的温度。每一个探头所测得的温度大致都在2℃的范围内波动,这是因为测温探头所处在的插接箱中的环境类似于恒温状态,受外界温度影响较小,这也为测温系统提供了一个良好的测量环境,提高了温度监测的准确性。 
5开云官方端网站登录入口温度在线监测系统解决方案
5.1概述 电气接点在线测温装置适用于高低压开关柜内电缆接头、断路器触头、刀闸开关、高压电缆中间头、干式变压器、低压大电流等设备的温度监测,防止在运行过程中因氧化、松动、灰尘等因素造成接点接触电阻过大而发热成为安全隐患,提高设备安全保障,及时、持续、准确反映设备运行状态,降低设备事故率。Acrel-2000T无线测温监控系统通过RS485总线或以太网与间隔层的设备直接进行通讯,系统设计遵循国际标准Modbus-RTU、Modbus-TCP等传输规约,安全性、可靠性和开放性都得到了较大地提高。该系统具有遥信、遥测、遥控、遥调、遥设、事件报警、曲线、棒图、报表和用户管理功能,可以监控无线测温系统的设备运行状况,实现快速报警响应,预防严重故障发生。
5.2应用场所
适合在泛在电力物联网、钢厂、化工、水泥、数据中心、医院、机场、电厂、煤矿等厂矿企业、变配电所等电力设备的温度监测。
5.3系统结构 
5.4系统功能 测温系统主机Acrel-2000T安装于值班监控室,可以远程监视系统内所有开关设备运行温度状态。系统具有以下主要功能:1)温度显示:显示配电系统内每个测温点的实时值,也可实现电脑WEB/手机APP远程查看数据。
2)温度曲线:查看每个测温点的温度趋势曲线。
3)运行报表:查询及打印各测温点时间的温度数据。
4)实时告警:系统能够对各测温点异常温度发出告警。系统具有实时语音报警功能,能够对所有事件发出语音告警,告警方式有弹窗、语音告警等,还可以短信/APP推送告警消息,及时提醒值班人员。
5)历史事件查询:能够温度越限等事件记录进行存储和管理,方便用户对系统事件和报警进行历史追溯,查询统计、事故分析等。
5.5系统硬件配置 温度在线监测系统主要由设备层的温度传感器和温度采集/显示单元,通讯层的边缘计算网关以及站控层的测温系统主机组成,实现变配电系统关键电气部位的温度在线监测。


6开云官方端网站登录入口AMB300系列母线槽红外测温解决方案 开云官方端网站登录入口AMB300系列母线槽红外测温解决方案,这是一款非接触式红外测温装置,能够解决母线槽温升过高的问题,实时把连接器中每相温度数据上传后台,提示管理人员应对报警点予以重视或采取必要的预防措施。
此母线槽红外测温解决方案由人机HMI触摸屏,红外测温模块,红外采集器,电源模块组成。该系统通过RS485线与本地触摸屏和后台监控进行通信(如下图),系统设计遵循际标准Modbus-RTU传输规约,安全性、可靠性和开放性都得到了很大地提高。RS-485作为一种串行通信的接口具有传输距离长、速度较高、电平兼容性好、使用灵活方便、成本低廉和可靠度高等特点,与无线通信方式相比,具有价格低、抗共模干扰能力强等优点。
AMB300红外测温组网示意图
AMB300红外测温系统拓扑图
AMB300红外测温原理示意图



开云官方端网站登录入口系统平台界面


7 结语
本文设计了一套非接触式密集型母线槽测温系统,其用于对小区内与密集型母线槽插接箱内的各母线的温度进行监测和预警,并在远程客户端界面上实时管理以及监控。系统的设计包含了硬件电路设计和客户端软件设计。使用非接触的测温模块,提高了测温系统的安全性、准确性,同时也不会影响电力系统的运行。采用 4G 数据传输模块将温度数据上传到服务器,解决了安装在不同位置的插接箱温度数据的传输问题,避免去重新布线传输数据,并且没有距离限制,便于随时添加、更改设备。另外由于所需传输的数据比较简单,所以产生的流量费用在可接受范围内。在客户端上开发的可视化软件能够快捷地查询到所有的温度数据,并且具有报警提示功能,能够及时对温度异常情况进行处理。目前该系统已经投入小区实际使用,从客户端显示的数据来看,各母线温度变化趋势十分平稳。实践表明此系统是实用、可行的,能够实现设计的功能,并且还具有很大的可拓展性。
参考文献
【1】宋诚,李文志,鲁杨,张欢.非接触式密集型母线槽测温系统研究.
【2】陈澜,卞星明,万树伟,王黎明,关志成.交流老化导线温升特性改变对载流量的影响[J].高电压技术,2014,40(5) :1499-1506.
【3】黎卫文.基于无线通信的母线测温系统[J].广东输电与变电技术,2008(6):1-3.
【4】开云官方端网站登录入口企业微电网设计与应用手册2022年05版.