
产品分类




标题:电气火灾监控探测器8路剩余电流监测
产品概述
| 品牌 | Acrel/开云官方端网站登录入口 | 产地 | 国产 |
|---|---|---|---|
| 加工定制 | 否 |
漏电火灾探测器代理厂家价格之功能特点
ARCM系列电气火灾监控探测器主要用于各区域内信号的采集及处理,具有本地数据显示、参数整定和声光报警等功能,与AKH-0.66L系列剩余电流互感器配合使用。其接收到AKH-0.66L检测到的监测回路中的剩余电流信号后,实时处理并通过标准的MODBUS通信协议上传至Acrel-6000监控主机。ARCM系列监控探测器功能齐全:有单独剩余电流监测功能的监控探测器(可选1~8路);有多种功能组合的监控探测器,可实现剩余电流、温度、电流和电压功能的多种组合;也有高度集成了火灾监控、配电监测、电能计量三大功能于一体,并通过两路独立的通信端口分别为电气火灾监控系统及配电监控系统提供可靠的实时数据,减少了探测器终端数量,为用户节省了投资,并且相同功能的监控探测器具有多种不同安装形式,满足各类不同项目的应用。
漏电火灾探测器代理厂家价格之结构方案
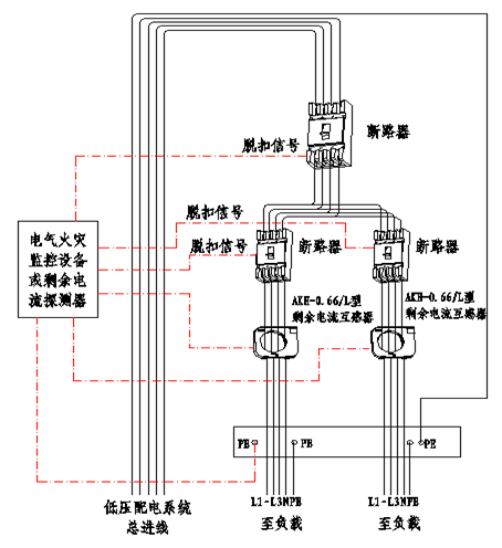
ARCM系列电气火灾监控探测器(如图2所示)在实际使用中通常是将电气火灾监控探测器连接断路器作为执行机构形式(如图3所示)。

图2 ARCM系列电气火灾监控探测器

图3 电气火灾监控装置接线示意
漏电火灾探测器代理厂家价格之硬件设计
系统结构图(如图4所示),该设计方案的电气火灾监控探测器的功能有:LCD液晶显示、故障自动巡检、漏电检测、电流检测、电压检测、声光自检、数据可编程、实时通讯、故障记录和查询。外部数据采样、显示、控制和电源等硬件电路采用模块型隔离设计方式,保证了信号的抗干扰性。
系统功能如图4所示,分别有电参量采集模块、实时时钟和掉电存储模块、按键模块、显示模块、声光报警模块、输出与输入模块和电源模块等等。
