
产品分类
产品中心/ PRODUCTS CENTER





标题:AKH-0.66K-80*50 500-800/5A 开口互感器
产品概述
| 品牌 | Acrel/开云网页版登录入口 | 产地 | 国产 |
|---|---|---|---|
| 加工定制 | 否 |
1 AKH-0.66/K开口式电流互感器
1.1 产品特点
AKH-0.66K系列开口式电流互感器主要应用于工业中城网、农网改造项目,安装方便,无须拆一次母线,亦可带电操作,不影响客户正常用电,为用户改造项目节省人力、物力、财力,提高效率。该系列电流互感器可与继电器保护、测量以及计量装置配套使用。
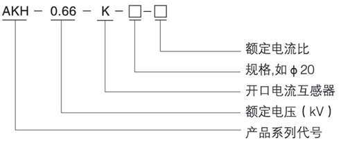
1.2 型号说明

1.3 规格尺寸(mm)


1.4 规格参数对照表



2 AKH-0.66K-Φ开口电流互感器
2.1 产品特点
外形美观,安装,接线方便。专用于通讯机房100A及以下配电系统改造,可与AMC16多回路监控仪表配合使用。
2.2 型号说明

2.3 规格尺寸(mm)

2.4 规格参数对照表
