产品中心/ PRODUCTS CENTER

我的位置:首页  >  产品中心  >  电能管理  >  ADW系列电力物联网仪表  >  开云官方端网站登录入口4路导轨式多回路电力物联网仪表600A
开云官方端网站登录入口4路导轨式多回路电力物联网仪表600A

描述:ADW200导轨式多回路电力仪表主要用于低压网络的各类三相电力参数测量及有功、无功计量,同时可选择四个回路的电流输入,具有RS485通讯和470MHz无线通讯功能,另可配合多种扩展模块,方便用户进行用电监测、集抄和管理。可灵活安装于配电箱内,实现对不同区域和不同负荷的分项电能计量,统计和分析。

  • 产品型号:ADW200-D36-2S
  • 参考价格:1260¥
  • 更新时间:2025-05-26
  • 访问量:616
产品详情/ PRODUCT DETAIL

标题:开云官方端网站登录入口4路导轨式多回路电力物联网仪表600A

产品概述

品牌Acrel/开云官方端网站登录入口绝缘电阻输入输出端对机壳>100MΩ
应用范围智能配电柜产地国产
加工定制
ADW2xx系列导轨式多回路电力仪表主要用于低压三相回路全电参量测量,同时可选择四个回路的电流输入。可直接或间接测量电压、电流、功率、功率因数、相角、不平衡度、谐波等参数。 还可通过其RJ45接口扩展辅助功能,实现DI、DO、测温、剩余电流测量,以及2G、4G、LoRa、LoRaWan、NB-Lot无线通信功能。

应用范围:

 

具体型号:ADW200-D10-4S-MK
通讯协议:RS485接口、Modbus-RTU协议



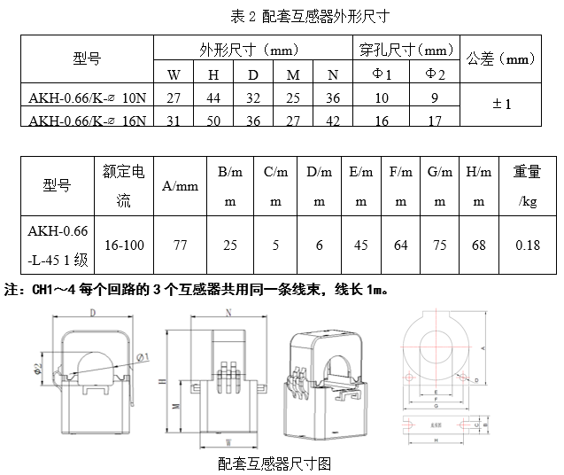
ADW2xx系列主体及模块尺寸图:




留言询价/ MESSAGE INQUIRY

留言框

  • 产品:

  • 您的单位:

  • 您的姓名:

  • 联系电话:

  • 常用邮箱:

  • 省份:

  • 详细地址:

  • 补充说明:

  • 验证码:

    请输入计算结果(填写阿拉伯数字),如:三加四=7

开云官方

公司简介

产品展示

Acrel-5000园区厂房能源监测管理系统 能源监测管理系统 能耗计量分析系统 光伏双向计量 学校智慧用电

服务与支持

技术文章新闻中心

联系我们

联系方式在线留言

电瓶车充电桩、电动汽车充电桩禁止非法改装!

版权所有 © 2026 开云官方端网站登录入口-开云online(中国)    备案号:

技术支持:仪表网    管理登陆    sitemap.xml

手机:TEL

13774417047

地址:ADDRESS

上海市嘉定区育绿路253号

扫码关注我们