产品中心/ PRODUCTS CENTER

我的位置:首页  >  产品中心  >  电能管理  >  ADW系列电力物联网仪表  >  开云官方端网站登录入口ADW导轨式多回路电力物联网仪表
开云官方端网站登录入口ADW导轨式多回路电力物联网仪表

描述:开云官方端网站登录入口电力物联网仪表1回路配互感器
ADW2xx系列导轨式多回路电力仪表主要用于低压三相回路全电参量测量,同时可选择四个回路的电流输入。可直接或间接测量电压、电流、功率、功率因数、相角、不平衡度、谐波等参数。 还可通过其RJ45接口扩展辅助功能,实现DI、DO、测温、剩余电流测量,以及2G、4G、LoRa、LoRaWan、NB-Lot无线通信功能。

  • 产品型号:ADW200-D10-1S
  • 参考价格:910¥
  • 更新时间:2025-05-26
  • 访问量:679
产品详情/ PRODUCT DETAIL

标题:开云官方端网站登录入口ADW导轨式多回路电力物联网仪表

产品概述

品牌Acrel/开云官方端网站登录入口应用范围控制系统
产地国产加工定制
ADW2xx系列导轨式多回路电力仪表主要用于低压三相回路全电参量测量,同时可选择四个回路的电流输入。可直接或间接测量电压、电流、功率、功率因数、相角、不平衡度、谐波等参数。 还可通过其RJ45接口扩展辅助功能,实现DI、DO、测温、剩余电流测量,以及2G、4G、LoRa、LoRaWan、NB-Lot无线通信功能。

应用范围:

 

具体型号:ADW200-D10-4S-MK
通讯协议:RS485接口、Modbus-RTU协议



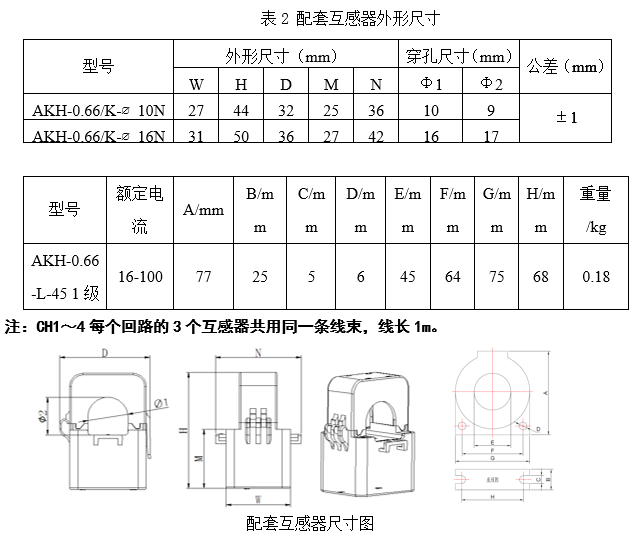
ADW2xx系列主体及模块尺寸图:




留言询价/ MESSAGE INQUIRY

留言框

  • 产品:

  • 您的单位:

  • 您的姓名:

  • 联系电话:

  • 常用邮箱:

  • 省份:

  • 详细地址:

  • 补充说明:

  • 验证码:

    请输入计算结果(填写阿拉伯数字),如:三加四=7

开云官方

公司简介

产品展示

Acrel-5000园区厂房能源监测管理系统 能源监测管理系统 能耗计量分析系统 光伏双向计量 学校智慧用电

服务与支持

技术文章新闻中心

联系我们

联系方式在线留言

电瓶车充电桩、电动汽车充电桩禁止非法改装!

版权所有 © 2026 开云官方端网站登录入口-开云online(中国)    备案号:

技术支持:仪表网    管理登陆    sitemap.xml

手机:TEL

13774417047

地址:ADDRESS

上海市嘉定区育绿路253号

扫码关注我们