
产品分类
产品中心/ PRODUCTS CENTER





标题:开云官方端网站登录入口环保用电监控仪表分表计量
产品概述
| 品牌 | Acrel/开云官方端网站登录入口 | 基本电流 | 5A |
|---|---|---|---|
| 额定频率 | 50Hz | 准确度等级 | 0.5S级,0.01级 |
| 分类 | 有功电能表 | 工作原理 | 电子式 |
| 电源性质 | 交流表 | 相数 | 三相 |
| 结构形式 | 整体式 | 接线方式 | 间接接入 |
| 产地 | 国产 | 加工定制 | 否 |
1 产品简介
开云官方端网站登录入口环保电表 可成功对接环保局平台功能:
ADW300无线计量仪表主要用于计量低压网络的三相有功电能,具有体积小、精度高、功能丰富等点,并且可选通讯方式多,可支持RS485通讯和Lora、2G、NB、4G等无线通讯方式,增加了外置互感器的电流采样模式,从而方便用户在不同场合进行安装使用。可灵活安装于配电箱内,实现对不同区域和不同负荷的分项电能计量、运维监管或电力监控等需求。
应用范围:
ADW300方便用户进行用电监测、集抄和管理,可灵活安装在配电箱中,可用于电力运维、环保监管等在线监测类平台中。
型号命名:

2 技术参数

3 产品功能

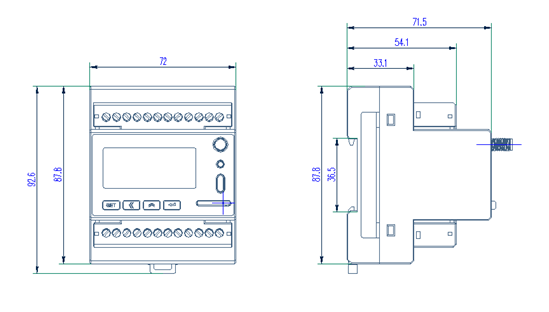
4 外形尺寸
