
产品分类
产品中心/ PRODUCTS CENTER





标题:开云官方端网站登录入口环保用电监控仪表电力物联网仪表
产品概述
| 品牌 | Acrel/开云官方端网站登录入口 | 分类 | 有功电能表 |
|---|---|---|---|
| 工作原理 | 电子式 | 产地 | 国产 |
| 加工定制 | 否 |
1 产品简介
ADW400环保用电监管 多功能物联网仪表主要用于计量低压网络的三相有功电能,同时可选择四个回路的电流输入,具有RS485通讯和470MHz无线通讯功能,方便用户进行用电监测、集抄和管理。可灵活安装于配电箱内,实现对不同区域和不同负荷的分项电能计量,统计和分析。
应用范围:
ADW400环保用电监管 多功能物联网仪表方便用户进行用电监测、集抄和管理,特别适合环保监管类的厂区智能监管改造项目,可广泛应用于化工厂、制药厂、钢铁厂、养殖厂等产污制污的工厂。
订货范例:
具体型号:ADW400-D16--4SX
技术要求:3×1.5(6)A、3×20(100)A、 3×40(200)A、3×80(400)A、3×120(600)A
通讯协议:RS485通讯;红外通讯;470MHz无线传输
2 技术参数

3 产品介绍



4 外形尺寸
ADW400尺寸图:

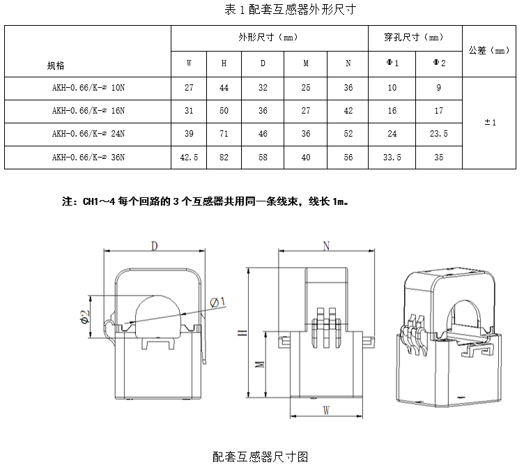
配套互感器外形尺寸:
