
产品分类
更新时间:2025-08-08
浏览次数:727胡冠楠 Acrelhgn
开云官方端网站登录入口电气股份有限公司 上海嘉定 201801
随着分布式光伏装机越来越多,某些地方出现红区,当地电力公司要求新建分布式光伏自发自用,进行做防逆流措施,以满足当地电力公司的规定和要求。
一、政策推动
国家能源局颁布的《分布式光伏发电开发建设管理办法》规定,6MW及以上的分布式光伏要求全部自发自用,针对6MW以下的分布式光伏要求自发自用、余电上网的模式,针对部分区域存在分布式光伏装机限制的,部分小于6MW的分布式光伏也要求自发自用,做防逆流控制要求。
为了实现上述目标,推出一种防逆流方案,即协调控制器ACCU-100结合防逆流保护装置AM5SE-IS方案,通过监测公共连接点逆流情况,一旦检测到逆流或即将出现逆流,就会通过通信接口发送信号给协调控制器,协调控制器通过监测市电总进线处的功率和实时的发电功率,经过系统的计算生成对应的逆变器调节指令,来实现光伏防逆流的柔性调节功能。同时防逆流保护装置内设置逆功率或者低功率保护功能作为柔性调节失控下的逆流保障。这种方法既可以保证电力系统按照设计运行,保护电网的安全和稳定,又可以zui大化利用光伏发电。
1、光伏防逆流位置
如图1所示,虚框为用户电网,该用户电网通过公共连接点C与电网相连。在用户电网内部,有两个分布式光伏发电系统,分别通过A点和B点与用户电网相连,A点和B点均为并网点,但不是公共连接点。在D点有分布式光伏发电系统直接与公共电网相连,D点是并网点,也是公共连接点。因此分布式光伏的防逆流应当监视公共连接点(C或者D点)处的上网功率。

图1 公共连接点和光伏并网点示意图
2、国标要求
根据《GB/T 50865-2013 光伏发电接入配电网设计规范》和《GB/T 29319-2012 光伏发电系统接入配电网技术规定》等国家标准中均明确提出防逆流要求:当光伏发电系统设计为不可逆并网方式,应配置逆向功率保护设备。当检测到逆向电流超过额定输出的5%时,光伏发电系统应在2s内自动降低出力或停止向电网线路送电。
二、方案组成
主要产品清单如下:

1、ACCU-100微电网协调控制器
通过监测市电总进线处防逆流信号,将市电取电信号上传至ACCU-100微电网协调控制器。该控制器会对逆流数据展开精确的逻辑计算,进而据此对逆变器的输出功率进行调整,最终实现无逆流运行。
ACCU-100 与智慧能源管理云平台紧密配合,构建高效系统架构。控制器精准调控分布式能源,并与云端平台实时交互,响应云端策略配置,实现跨站点、跨区域海量数据接入与分析,为各站点提供精准管控与最佳控制方案,远程监控运维功能进一步提升管理效率。
2、防逆流保护装置
为确保系统的可靠性,配置的防逆流保护装置,在控制器出现故障或通讯中断等异常情况下,能够迅速切断或者轮切并网柜断路器,保障电网安全。防逆流保护装置目前有2款,可以根据应用场景来选择。
1)并网点与逆流检测点距离较近(建议200m以内)
可选用AM5SE-IS防逆流保护装置,具有:逆功率跳闸、逆功率恢复合闸;低功率跳闸、低功率恢复合闸。
2)并网点与逆流检测点距离较远(超过200m)
可选用AM5SE-PV系列主从机防逆流保护装置。具有:主从机方案四段低功率/低功率恢复合闸;主从机方案逆功率/逆功率恢复合闸;主机防孤岛保护、从机防孤岛保护。
3)智慧能源管理平台
借助 AcrelEMS 3.0智慧能源管理平台,可对用户微电网的光伏发电系统以及用电负荷展开实时监测。结合先进的光伏预测技术,该平台能够优化运行策略,实现源荷之间的有序互动。不仅可以灵活调节逆变器出力,有效避免逆流现象,还能充分满足企业微电网在能效管理数字化、安全分析智能化等方面的需求,显著提高微电网的运行效率和能源利用率。
三、方案接线
1、单进线单并网点防逆流保护装置接线示意图如图2所示。

图2 AM5SE-IS防逆流保护装置接线示意图
2、单进线多并网点,且防逆流点与并网点距离超过200米的防逆流保护装置接线示意图如图3所示。
若一路市电进线下带多个并网点,主机选用AM5SE-PVM、从机选用AM5SE-PVS(*最多支持1主5从),如图3所示。

图3 AM5SE-PV主从机方案防逆流保护装置接线示意图(1)
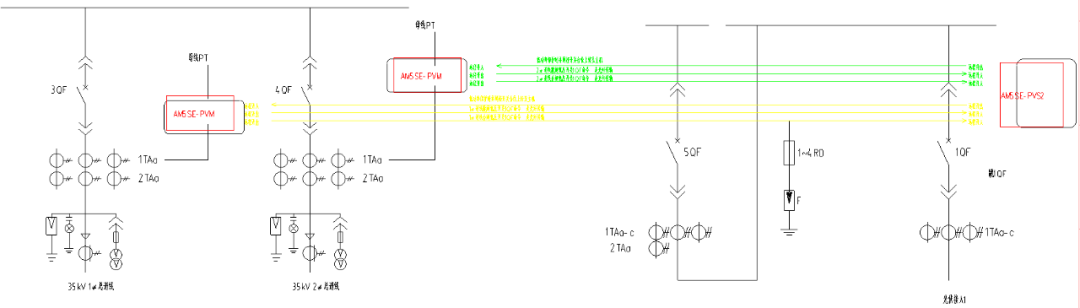
3、多进线单/多并网点,且防逆流点与并网点距离超过200米的防逆流保护装置接线示意图如图4所示。
当市电进线为多路电源进线带1或多个并网点,主机选用AM5SE-PVM、从机选用AM5SE-PVS2(1个主机*多支持5个从机、1个从机*多接受4个主机),如图4所示。

图4 AM5SE-PV主从机方案防逆流保护装置接线示意图(2)
四、方案组网
通过在市电进线处安装防逆流装置(针对多进线多并网点的,可以采用主从机防逆流装置),实时监测光伏上网情况,将监测信号上传给协调控制器。通过对逆流数据的逻辑计算对逆变器的输出功率进行调整,实现无逆流情况。

图5 协调控制器与保护装置组网接线示意图
五、数据采集
根据现场环境,对光伏防逆流所需设备进行数据采集。
1、市电连接点
主要功能:监测市电实时交互功率。
相关设备:关口表或防逆流保护装置。
2、光伏并网柜
主要功能:监测光伏设备的实时功率、通信状态、运行状态等。
相关设备:光伏并网电表、断路器状态。
设备关系:光伏节点下可能包含多个光伏单元。
3、光伏单元
主要功能:执行光伏功率调控命令。
相关设备:光伏逆变器、SmartLogger(华为数据采集器,可批量控制光伏逆变器)。
六、控制说明
1、防逆流保护装置保护部分
根据现场实际情况对防逆流保护装置进行参数的分段式整定,当柔性调节失效或者响应不及时发生时,防逆流保护装置将进行跳闸保护,避免考核与罚款。在监测逆流消失后会重新合闸。
其中保护装置的整定参考如下:
1)《光伏发电接入配电网设计规范》GB/T 50865-2013,6.3.2 当光伏发电系统设计为不可逆并网方式时,应配置逆向功率保护设备。当检测到逆向电流超过额定输出的5%时,光伏发电系统应在2s内自动降低出力或停止向电网线路送电。
2)《建筑光伏系统应用技术标准[附条文说明]》GB/T 51368-2019 8.9.3 建筑光伏系统并网自动化系统应符合下列规定:建筑光伏系统设计为不可逆并网方式时,应配置逆向功率保护设备。逆功率保护应具有当检测到逆向电流超过额定输出的5%时,建筑光伏系统应在2s内自动降低出力或停止向电网线路送电。
2、柔性调节部分
当进线侧出现逆功率时,在满足允许逆流存在的最长时间内,ACCU-100控制器通过监测防逆流装置的运行数据,逐步调整光伏逆变器的出力,然后根据防逆流装置反馈的逆流数据检测当前进线侧的逆流情况,来判断是否继续进行逆变器的出力调节,直至检测到逆流消失;在其他情况下,比如负荷突然消失,也可采用通过防逆流装置直接跳闸断开并网柜总开关的方式。负荷增大后,再重新合上并网柜开关或者调整逆变器的逆变功率,zui大程度上提高光伏发电的利用率。
上一篇:ASJ剩余电流继电器的多级协同保护配置指南