
产品分类
更新时间:2025-05-28
浏览次数:673胡冠楠 Acrelhgn
开云官方端网站登录入口电气股份有限公司 上海嘉定 201801
摘 要:随着分布式光伏装机容量的快速增长,电网逆流问题日益凸显。当光伏发电功率大于本地负荷功率时,多余的电力会流入电网,形成逆流。这不仅会导致电网系统电压升高,影响供电质量,还可能损坏用户侧和光伏发电侧设备,威胁电网系统的安全稳定运行。加之国家能源局发布的《分布式光伏发电开发建设管理办法》中,提出大型工商业分布式光伏原则上选择全部自发自用模式。根据这一政策,大型工商业分布式光伏项目中防逆流的需求应运而生。
关键词:分布式光伏;大型工商业;自发自用;防逆流。
1、项目情况
内蒙古阿拉善中高绿能能源分布式光伏项目,位于内蒙古乌斯太镇,装机容量为7MW,采用自发自用、余电不上网模式。
用户配电站为35kV用户站,采用两路电源单母线分段系统。本项目共设置12台35/0.4kV变压器,在变压器T1-T5以及T8低压侧分别设置0.4kV光伏并网点,其中T1在综合楼设置1个并网点,距离35kV进线1000米,为一期接入;T2设置5个并网点,分设在4个配电房(食堂、化验楼、中控室、丁类仓库),距离35kV进线600米-1000米,为一期接入,食堂、化验楼、中控室均为1个并网柜,丁类仓库为2个并网柜;T3设置在独立配电房内,距离35kV配电房500米,设置5个并网柜,为二期接入;T4设置在独立配电房内,距离35kV配电房500米,设置2个并网柜,为二期接入;T5设置在35kV配电房内,设置2个并网柜,为二期接入;T8设置在独立配电房内,距离35kV配电房500米,设置6个并网柜,为二期接入。针对一期(1MW)、二期(6MW)接入的光伏,该项目要求自发自用、余电不上网,逆流检测点设置在35kV进线侧,根据上述基本条件结合原施工图设计制定以下通过调整(降低)光伏发电系统输出功率以达到限制上网功率的控制策略方案。
2、项目需求
测量35kV两路进线处功率,当功率过低时,通过能量管理系统无人值守状态下实时动态调整逆变器输出功率来实现光伏电站持续运行,同时也要确保输出功率能量管理系统安全、可靠运行。在输出功率能量管理系统动态调整失效时能够自动切断部分光伏发电回路保障35kV线路供电正常,并能自动恢复能量管理系统正常运行、自动切断部分逆变器恢复运行。
3、产品方案
本项目根据用户需求采用柔性调节逆变器出力+防逆流保护跳闸方案。柔性调节通过能量管理系统Acrel-2000MG来实现,防逆流保护跳闸采用AM5SE-PV主从机来实现,详细方案如下。

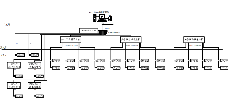
图1 中高绿能能源项目产品配置图
上图为本项目产品配置图,在35kV两路进线处分别配置2台防逆流主机AM5SE-PVM采集市电进线电流、电压,计算功率Ppcc,针对一期,在变压器低压侧T1-T2处配置5台防逆流从机AM5SE-PVS2用于分合并网柜;针对二期,在变压器低压侧T3-T5以及T8处分别配置一台防逆流从机AM5SE-PVS2用于分合并网柜。防逆流主机和防逆流从机之间通过多模光纤连接。由于该项目35kV侧为单母线分段系统,所以需针对35kV母联为合或分时整定不同策略,母联合位由1#AM5SE-PVM采集,并上传至能量管理系统,由能量管理系统针对母联状态切换策略执行。
母联为合位且1#进线供电时,1#进线策略如下:
1)当Ppcc≤P1-1,且功率因数PF>0时,由Acrel-2000MG能量管理系统柔性调节T3、T4、T5、T8逆变器功率(T1、T2逆变器不参与调节);
2)当Ppcc≤P1-21,且功率因数PF>0时,由1#AM5SE-PVM通过光纤发命令给T5配电房AM5SE-PVS2,从机跳开T5配电房所有并网柜;
3)当Ppcc≤P1-22,且功率因数PF>0时,且T5所有并网柜为分,由1#AM5SE-PVM通过光纤发命令给T4配电房AM5SE-PVS2,从机跳开T4配电房所有并网柜;
4)当Ppcc≤P1-23,且功率因数PF>0时,且T4所有并网柜为分,由1#AM5SE-PVM通过光纤发命令给T3配电房AM5SE-PVS2,从机跳开T3配电房所有并网柜;
5)当Ppcc≤P1-24,且功率因数PF>0时,且T3所有并网柜为分,由1#AM5SE-PVM通过光纤发命令给T8配电房AM5SE-PVS2,从机跳开T8配电房所有并网柜;
6)当Ppcc≤P1-25,且功率因数PF>0时,且T5所有并网柜为分,由2#AM5SE-PVM通过光纤发命令给综合楼AM5SE-PVS2,从机跳开综合楼并网柜;
7)当Ppcc≤P1-26,且功率因数PF>0时,且综合楼并网柜为分,由2#AM5SE-PVM通过光纤发命令给食堂AM5SE-PVS2,从机跳开食堂并网柜;
8)当Ppcc≤P1-27,且功率因数PF>0时,且食堂并网柜为分,由2#AM5SE-PVM通过光纤发命令给化验楼AM5SE-PVS2,从机跳开化验楼并网柜;
9)当Ppcc≤P1-28,且功率因数PF>0时,且化验楼并网柜为分,由2#AM5SE-PVM通过光纤发命令给中控室AM5SE-PVS2,从机跳开中控室并网柜;
10)当Ppcc≤P1-29,且功率因数PF>0时,且中控室并网柜为分,由2#AM5SE-PVM通过光纤发命令给丁类仓库AM5SE-PVS2,从机跳开丁类仓库2个并网柜;
11)若产生逆流,即当|Ppcc|≥P1-31,且功率因数PF<0时,由1#AM5SE-PVM通过光纤发命令给T5、T4、T3、T8配电房AM5SE-PVS2,所有从机跳开相关并网柜;当|Ppcc|≥P1-32,且功率因数PF<0时,由2#AM5SE-PVM通过光纤发命令给综合楼、食堂、化验楼、中控室、丁类仓库配电房AM5SE-PVS2,所有从机跳开相关并网柜;
12)当Ppcc≥P1-4,且功率因数PF>0时,由Acrel-2000MG能量管理系统下发指令给遥控防逆流从机AM5SE-PVS2合上并网柜(此处并网柜为分的均需合闸),再调节逆变器功率至额定功率的20%(此值由用户确定且可设)(只遥控T3、T4、T5、T8并网柜合闸,T1、T2并网柜由现场人员手动合闸)。
母联为合位且2#进线供电时,2#进线策略如下:
1)当Ppcc≤P2-1,且功率因数PF>0时,由Acrel-2000MG能量管理系统柔性调节T3、T4、T5、T8逆变器功率(T1、T2逆变器不参与调节);
2)当Ppcc≤P2-21,且功率因数PF>0时,由3#AM5SE-PVM通过光纤发命令给T8配电房AM5SE-PVS2,从机跳开T8配电房所有并网柜;
3)当Ppcc≤P2-22,且功率因数PF>0时,且T8所有并网柜为分,由3#AM5SE-PVM通过光纤发命令给T5配电房AM5SE-PVS2,从机跳开T5配电房所有并网柜;
4)当Ppcc≤P2-23,且功率因数PF>0时,且T5所有并网柜为分,由3#AM5SE-PVM通过光纤发命令给T4配电房AM5SE-PVS2,从机跳开T4配电房所有并网柜;
5)当Ppcc≤P2-24,且功率因数PF>0时,且T4所有并网柜为分,由3#AM5SE-PVM通过光纤发命令给T3配电房AM5SE-PVS2,从机跳开T3配电房所有并网柜;
6)当Ppcc≤P2-25,且功率因数PF>0时,且T3所有并网柜为分,由4#AM5SE-PVM通过光纤发命令给综合楼AM5SE-PVS2,从机跳开综合楼并网柜;
7)当Ppcc≤P2-26,且功率因数PF>0时,且综合楼并网柜为分,由4#AM5SE-PVM通过光纤发命令给食堂AM5SE-PVS2,从机跳开食堂并网柜;
8)当Ppcc≤P2-27,且功率因数PF>0时,且食堂并网柜为分,由4#AM5SE-PVM通过光纤发命令给化验楼AM5SE-PVS2,从机跳开化验楼并网柜;
9)当Ppcc≤P2-28,且功率因数PF>0时,且化验楼并网柜为分,由4#AM5SE-PVM通过光纤发命令给中控室AM5SE-PVS2,从机跳开中控室并网柜;
10)当Ppcc≤P2-29,且功率因数PF>0时,且中控室并网柜为分,由4#AM5SE-PVM通过光纤发命令给丁类仓库AM5SE-PVS2,从机跳开丁类仓库2个并网柜;
11)若产生逆流,即当|Ppcc|≥P2-31,且功率因数PF<0时,由3#AM5SE-PVM通过光纤发命令给T5、T4、T3、T8配电房AM5SE-PVS2,所有从机跳开相关并网柜;当|Ppcc|≥P2-32,且功率因数PF<0时,由4#AM5SE-PVM通过光纤发命令给综合楼、食堂、化验楼、中控室、丁类仓库配电房AM5SE-PVS2,所有从机跳开相关并网柜;
12)当Ppcc≥P2-4,且功率因数PF>0时,由Acrel-2000MG能量管理系统下发指令给遥控防逆流从机AM5SE-PVS2合上并网柜(此处并网柜为分的均需合闸),再调节逆变器功率至额定功率的20%(此值由用户确定且可设)(只遥控T3、T4、T5、T8并网柜合闸,T1、T2并网柜由现场人员手动合闸)。
母联为分位时,1#进线策略如下:
1)当Ppcc≤P3-1,且功率因数PF>0时,由Acrel-2000MG能量管理系统柔性调节T3、T4、T5逆变器功率(T1、T2逆变器不参与调节);
2)当Ppcc≤P3-21,且功率因数PF>0时,由1#AM5SE-PVM通过光纤发命令给T5配电房AM5SE-PVS2,从机跳开T5配电房所有并网柜;
3)当Ppcc≤P3-22,且功率因数PF>0时,且T5所有并网柜为分,由1#AM5SE-PVM通过光纤发命令给T4配电房AM5SE-PVS2,从机跳开T4配电房所有并网柜;
4)当Ppcc≤P3-23,且功率因数PF>0时,且T4所有并网柜为分,由1#AM5SE-PVM通过光纤发命令给T3配电房AM5SE-PVS2,从机跳开T3配电房所有并网柜;
5)当Ppcc≤P3-24,且功率因数PF>0时,且T5所有并网柜为分,由2#AM5SE-PVM通过光纤发命令给综合楼AM5SE-PVS2,从机跳开综合楼并网柜;
6)当Ppcc≤P3-25,且功率因数PF>0时,且综合楼并网柜为分,由2#AM5SE-PVM通过光纤发命令给食堂AM5SE-PVS2,从机跳开食堂并网柜;
7)当Ppcc≤P3-26,且功率因数PF>0时,且食堂并网柜为分,由2#AM5SE-PVM通过光纤发命令给化验楼AM5SE-PVS2,从机跳开化验楼并网柜;
8)当Ppcc≤P3-27,且功率因数PF>0时,且化验楼并网柜为分,由2#AM5SE-PVM通过光纤发命令给中控室AM5SE-PVS2,从机跳开中控室并网柜;
9)当Ppcc≤P3-28,且功率因数PF>0时,且中控室并网柜为分,由2#AM5SE-PVM通过光纤发命令给丁类仓库AM5SE-PVS2,从机跳开丁类仓库2个并网柜;
10)若产生逆流,即当|Ppcc|≥P3-31,且功率因数PF<0时,由1#AM5SE-PVM通过光纤发命令给T5、T4、T3配电房AM5SE-PVS2,所有从机跳开相关并网柜;当|Ppcc|≥P3-32,且功率因数PF<0时,由2#AM5SE-PVM通过光纤发命令给综合楼、食堂、化验楼、中控室、丁类仓库配电房AM5SE-PVS2,所有从机跳开相关并网柜;
11)当Ppcc≥P3-4,且功率因数PF>0时,由Acrel-2000MG能量管理系统下发指令给遥控防逆流从机AM5SE-PVS2合上并网柜(此处并网柜为分的均需合闸),再调节逆变器功率至额定功率的20%(此值由用户确定且可设)(只遥控T3、T4、T5并网柜合闸,T1、T2并网柜由现场人员手动合闸)。
母联为分位时,2#进线策略如下:
1)当Ppcc≤P4-1,且功率因数PF>0时,由Acrel-2000MG能量管理系统柔性调节T8逆变器功率;
2)当Ppcc≤P4-2,且功率因数PF>0时,由3#AM5SE-PVM通过光纤发命令给T8配电房AM5SE-PVS2,从机跳开T8配电房所有并网柜;
3)若产生逆流,即当|Ppcc|≥P4-3,且功率因数PF<0时,由3#AM5SE-PVM通过光纤发命令给T8配电房AM5SE-PVS2,从机跳开T8配电房所有并网柜;
4)当Ppcc≥P4-4,且功率因数PF>0时,由Acrel-2000MG能量管理系统下发指令给遥控防逆流从机AM5SE-PVS2合上T8配电房并网柜,再调节逆变器功率至额定功率的20%(此值由用户确定且可设)。
4、项目拓扑方案
1) 方案拓扑图

图2 项目方案拓扑图
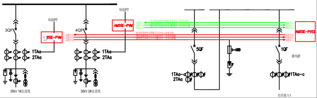
2) 防逆流保护典型接线

图3 防逆流保护典型接线
3) 项目清单

5、现场安装图
本项目防逆流主机和能量管理系统采用组屏方式安装,防逆流从机就地安装在并网柜上,现场安装图片如下。

图4 防逆流主机屏

图5 防逆流从机安装图片

图6 能量管理系统实时事件
6、结语
本文介绍的能量管理系统,可以在光伏高发时柔性调节逆变器功率,同时结合防逆流主从机也可以在大负荷切除或系统通信失联时,及时保障防逆流功能准确动作,该方案提高能源利用率,有助于后续大型工商业光伏项目自发自用、余电不上网模式的实施。