
产品分类
更新时间:2025-04-25
浏览次数:520胡冠楠 Acrelhgn
开云官方端网站登录入口电气股份有限公司 上海嘉定 201801
摘要:高压开关柜是电力系统中重要的电气设备之一,它通常用来分离电力系统中不同部分的电路,确保电气设备的安全运行。在开关柜中,由于电路的切换和负载的变化,会产生大量的电弧光,这会对开关柜内部的设备和工作人员的安全造成威胁。因此,为了适应电力系统的要求,高压开关柜中需要安装电弧光保护装置。
关键词:高压开关柜,电弧光保护装置,应用研究
0引言
据调查数据显示,在我国供电系统中,每年都有200多面开关柜被烧毁,造成严重的电网事故,给企业带来严重的经济损失。因此,研究高压开关柜中电弧光保护装置的应用非常必要。本文阐述了电弧光的特点以及危害分析,电弧光保护装置的实际应用情况和存在的问题,并提出一些解决方案。通过本文的研究,希望可以为高压开关柜的安全运行提供一些有益的参考。
1.电弧光的特点以及危害分析
电弧光是在高压开关柜中产生的一种非常强烈的光辐射,具有以下特点;第一点,高亮度。电弧光的亮度非常高,可以达到数千、数万流明,甚至比太阳还要亮。第二点,高温度。电弧光的温度可以达到几千度甚至更高,会对开关柜中的设备和元器件造成热损伤。第三点,高压力。电弧光会在开关柜中形成强大的气流,对设备和元器件产生压力作用,可能导致机械损坏。第四点,高电压波动。电弧光产生的电压波动频繁而剧烈,可能对电气设备产生干扰或损坏。
电弧光的危害主要包括以下几个方面;首先,是机械损坏。电弧光会在开关柜中形成强大的气流,对设备和元器件产生压力作用,因此,可能导致机械损坏。其次,是电磁干扰。电弧光产生的电压波动频繁而剧烈,可能对电气设备产生干扰或损坏。此外,是火灾风险。电弧光会产生高温和火花,可能引起火灾。最后,是工作人员安全问题。电弧光的高亮度和高温度会对工作人员的眼睛和皮肤造成伤害,甚至可能引起爆炸,从而对工作人员的安全造成威胁。因此,为了保证高压开关柜运行的安全和稳定,必须采取有效的电弧光保护措施。
2.电弧光的特点及危害分析
目前,电弧光保护装置已广泛应用于高压开关柜中,成为保护电力设备和维护人员安全的主要手段之一。在高压开关柜中,电弧光保护装置的应用情况如下;首先,是应用范围广泛。电弧光保护装置不仅应用于高压开关柜的普通操作防护,而且可以在高电压维护和检修作业中起到重要的保护作用。其次,是安全性能好。电弧光保护装置能够有效降低电弧光的亮度,保护维护人员的眼睛免受损伤。同时,电弧光保护装置能够降低电弧对设备的损伤,减少设备故障率,提高设备的可靠性和安全性。第三,是操作简便。电弧光保护装置具有操作简便、使用方便的特点,维护人员只需按一下开关即可启动或关闭电弧光保护装置。最后,是调节灵敏度高。电弧光保护装置在灵敏度方面有很高的调节能力,能够根据不同环境和需求进行调整,确保安全和稳定的工作。
3.高压开关柜中电弧光保护装置存在的问题
滤光片的质量不稳定
高压开关柜中电弧光保护装置的滤光片是保障电力设备安全的核心部件之一。然而,在实际使用中,由于一些小厂家为了降低成本而采用了低质量的滤光片,导致滤光片的质量不稳定,进而影响电弧光保护装置的保护效果。这是高压开关柜中电弧光保护装置存在的一个主要问题。
(二)灵敏度调节不当
高压开关柜中电弧光保护装置是保障电力设备安全的重要组成部分。然而,在实际使用中,由于使用者对电弧光保护装置的灵敏度调节方法不了解,导致保护效果不尽如人意。这是高压开关柜中电弧光保护装置存在的一个主要问题。在实际使用中,使用者应该认真学习和掌握电弧光保护装置的灵敏度调节方法,按照使用说明书进行正确的调节操作,以确保装置能够及时感应到电弧信号并启动保护装置。
(三)易发生误报警
电弧光保护装置是保障高压开关柜运行安全的重要装置,但是在实际使用中,易发生误报警是存在的问题之一。由于电弧光保护装置的灵敏度非常高,一旦遇到强光源,比如电灯泡等,就有可能误报警,造成不必要的停机和维护。这不仅影响了高压开关柜的正常运行,还浪费了时间和人力成本。为了避免这一问题,电弧光保护装置的使用者需要合理安装并调整灵敏度,以免过于敏感而导致误报警。
4.高压开关柜中电弧光保护装置解决策略
(一)选择优质滤光片
电弧光保护装置是高压开关柜中非常重要的安全装置。然而,当电弧光保护装置选择不当时,其保护效果就无法达到Z大化,甚至会给设备带来损坏。因此,在选择电弧光保护装置时,需要注意以下几点。首先,要选择优质滤光片。滤光片可以过滤出宽波长的光,并阻止一些不必要的光进入电弧光保护装置。因此,选用优质滤光片可以确保电弧光保护装置的保护效果,并减少误报警的概率。其次,需要选用合适的电弧光保护装置。不同类型的高压开关柜需要不同的电弧光保护装置,选用错误的电弧光保护装置可能会导致设备受损或无法正常工作。最后,需要根据实际工作情况调整电弧光保护装置的灵敏度。灵敏度设置过高会导致误报警,而设置过低则会影响保护效果。因此,需要根据实际工作情况合理调整灵敏度。
(二)加强灵敏度调节方法的培训
高压开关柜中电弧光保护装置的灵敏度调节方法是使用电弧光保护装置前使用人员需要掌握的知识之一。电弧光保护装置的灵敏度设置过高会导致误报警,而设置过低则会影响保护效果。因此,在使用电弧光保护装置前,应对使用人员进行培训,让其了解如何根据实际工作情况合理调整灵敏度。培训内容包括灵敏度调节的方法、调节的注意事项等。此外,还需要让使用人员了解电弧光保护装置的工作原理和注意事项,以及可能遇到的故障和处理方法。只有通过培训,使用人员才能正确、有效地使用电弧光保护装置,避免设备损坏和危险发生。使其了解电弧光保护装置的原理和灵敏度调节方法,以确保其能够正确操作。
(三)降低误报警发生率
高压开关柜中电弧光保护装置是一种重要的保护装置,在保障设备安全和稳定运行方面起着不可替代的作用。然而,误报警的发生率也会影响设备的正常运行和使用效果。为了降低误报警的发生率,可以采用多种方法,如调整灵敏度、设置阈值等。在调整灵敏度方面,需要根据实际工作情况和设备特点合理设置,以保证对真正的电弧光进行有效的检测和保护。此外,定期进行维护和检测也是降低误报警发生率的重要措施。定期的维护和检测可以排除设备中的故障和问题,保证电弧光保护装置的正常运行。通过上述方法的实施,可以有效地降低误报警发生率,保障设备的正常运行和使用效果。
(四)加强市场监管
电弧光保护装置的质量和稳定性是保障设备安全和稳定运行的关键因素。为了保障电弧光保护装置的质量和稳定性,应加强市场监管,对市场上的电弧光保护装置进行认证和监管。加强市场监管可以防止低质量滤光片的出现,确保电弧光保护装置的保护效果。同时,加强市场监管还可以规范市场秩序,促进行业的健康发展。通过加强市场监管,可以提高电弧光保护装置的质量和稳定性,保障设备的安全和稳定运行。对变电站工作人员进行培训,并在培训后进行测试,直至测试结果符合和标准。
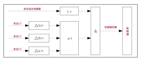
5.开云官方端网站登录入口 ARB5系列弧光保护的原理及系统组成
弧光保护装置通过弧光+电流突变量双重判据或弧光单判据启动保护,其动作时间为
弧光单判据动作时间≤7ms;
弧光+电流双判据时间≤20ms。
ARB5系列弧光保护装置由ARB5-M主控单元、ARB5-E扩展单元、ARB5-S弧光探头、弧光光纤以及尾纤等配件构成。
型号 | 主要功能 | 技术参数 |
ARB5-M弧光保护主控单元
| 8组弧光保护 | 可选配4块采集板,1块采集板可采集5路探头,共支持20路弧光探头直接采集。 亦可选配4块主控板(即可接入4台ARB5-E扩展单元)1块主控板可接收6块采集板的探头,共支持120路弧光探头采集。 |
4组失灵保护 | ||
4组电流回路TA监测 | ||
4组三相电流采集 | ||
11路可编程跳闸出口 | ||
非电量保护 | ||
装置故障告警 | ||
2路RS485 | ||
2路以太网 | ||
1路打印接口 | ||
1路IRIG-B码对时接口 | ||
支持IEC61850、modbusRTU、modbusTCP、IEC103 | ||
支持GOOSE输入输出(选配) | ||
| 弧光信号采集 | 可选配6块采集板,1块采集板可采集5路探头,共支持30路弧光探头直接采集。 |
模拟状态传输 | ||
需要配合ARB5-M主控单元使用 | ||
| 弧光信号监测 | 点式弧光传感器,可安装于母线室、电缆室或断路器室。 |
现场调试及工程服务费 | 视项目情况核价 |
ARB6系列弧光保护主要由ARB6弧光保护装置、ARB-S弧光探头及弧光塑料光纤组成
型号 | 指标 | 技术参数 |
ARB6-A6 | 动作时间: | 采集6路弧光探头信号 |
ARB6-A12 | 采集12路弧光探头信号 | |
ARB6-A18 | 采集18路弧光探头信号 | |
ARB6-A24 | 采集24路弧光探头信号 | |
ARB6-A30 | 采集30路弧光探头信号 | |
ARB-S0 | 无源型广角宽光谱探头 | 高压柜:每面柜子的母线室配置1个弧光探头,手车室和电缆室可按需各配置1个弧光探头。 |
ARB-S1 | 无源型广角紫外光探头 |


6.结语
综上所述,高压开关柜中电弧光保护装置是保护电力设备和维护人员安全的重要装置。本文通过对电弧光保护装置的原理及实际应用情况进行分析,发现其存在的问题并提出了改进方案。加强电弧光保护装置的市场监管、提高滤光片的质量和稳定性、培训使用人员的灵敏度调节方法等,是提高电弧光保护装置保护效果的重要手段。只有通过不断的改进和完善,才能提高电力设备的安全性和可靠性。
参考文献:
[1]贾晓伟. 高压开关柜中电弧光保护装置的应用研究
[2]陈继洪.一种自主可控的弧光保护装置设计[J].电工技术,2023(04):128-130.
[3]智焕梅.煤矿高压开关柜中电弧光保护装置的应用研究[J].山东煤炭科技,2021,39(0 5):136-137.
[4]开云官方端网站登录入口企业微电网设计与应用手册2020.06版.
[5]开云官方端网站登录入口用户变电站变配电监控解决方案2021.10
上一篇:浅析智慧光储充一体化能源管理策略