
产品分类
更新时间:2024-12-30
浏览次数:596摘 要:35kV变电站的日常运维需要大量的人力物力,通常35kV变电站会设有变电站综自自动化系统与低压电力监控系统,多套系统应用造成运维人员的负担,而Acrel-EMS企业微电网能效管理平台集测量、控制、保护及通信等功能于一身,正是解决运维资源严重不足现状的出路,针对不同硬件设备管理监控的需求,Acrel-EMS企业微电网能效管理平台可以对规约进行现场实时添加,从而简化变电站二次接线并切实降低运维成本,推广和应用价值。
关键词:35kV变电站;变电站综合自动化系统;Acrel-EMS;企业微电网能效管理平台
1.概述
该食品加工厂变电站工程规模:电压等级:35/10.5kV,规划主变容量1×6.3MVA+1台8MVA。有一个总配电室,包括35kV开关柜、10kV开关柜和0.4kV配电柜,两个独立变压器室,变压器为干式变压器。35kV供电系统采用单母线接线,共有4面高压开关柜,进线1回,变压器出线2回,PT间隔1回。10kV供电系统采用单母线分段系统,进线2回,电容器间隔2回,站用变间隔2回,PT间隔2回,分段间隔2回,出线8回。共有18面高压开关柜。
根据用户配电系统管理需求,需要对35kV开关柜、10kV开关柜、35kV/10kV主变、交直流系统等进行全方面监控与保护,及时发现故障故障,保证配电系统可靠运行。
结合用户实际生产工艺要求,为实现本项目35kV变电站的监控与管理,在35kV和10kV配电回路中配置AM5SE系列进线保护、主变保护及各种出线保护装置;在总进线处配置APView500电能质量在线监测装置;在每面高压开关柜配置ASD200开关柜智能操控装置和AMC96L-E4多功能仪表;在0.4kV各配电回路中配置一只AMC96L-E4多功能仪表。
在电气监控室配置一套Acrel-1000变电站综合自动化系统监控屏和一套Acrel-2000Z电力监控系统监控屏,通过通信管理机及网络交换机实时采集微机保护装置、电能质量等二次设备数据,实现整个厂区供配电系统的电力监控与自动化管理。并配置一套电源系统,为整个变电站的断路器、二次设备及监控主机等重要设备运行提供稳定可靠的电源。同时利用Acrel-EMS企业微电网能效管理平台汇总Acrel-1000变电站综合自动化系统与Acrel-2000Z电力监控系统平台数据,同时进行web发布与手机APP访问,减少运维人员运维巡检工作,丰富的能效分析可以方便运维人员排查能耗问题。

图1 食品加工厂现场图

图2 食品加工厂35kV变电站平面布局图
2.系统结构
AcrelEMS企业微电网能效管理平台,采用B/S架构,集成Acrel-1000变电站综合自动化系统与Acrel-2000Z电力监控系统,企业微电网能效管理平台实现了从35kV配电到0.4kV用电侧的整体监控,提供变电站综自系统,电力监控,电能质量监测,电气保护,电能统计。对企业的用电管理起到的帮助。
系统功能需求:
变电站综自系统:通过一次系统图监测企业35kV中高压侧用电情况,数据均实时刷新。
电力监控:监测企业0.4kV低压侧用电情况,提供配电室监测,无功补偿柜监测,电力报表等功能。
电能质量:提供电能质量检测仪的稳态监测,谐波频谱,稳态曲线,谐波曲线,SOE事件等参数。
电能统计:提供用电集抄,用电统计,分时段用电统计,用电同环比分析,分组用电统计等功能。
变电站综合自动化系统是指:通过执行规定功能来实现某一给定目标的一些相互关联单元的组合,变电站综合自动化系统是利用先进的计算机技术、现代电子技术、通信技术和信息处理技术等实现对变电站二次设备的功能进行重新组合、优化设计,对变电站全部设备的运行情况执行监视、测量,并将主要数据上传至地方调度平台,同时接受调度端的调控指令,实现站内功率调节。
变电站综合自动化系统、电力监控系统均可可分为三层结构:即现场设备层、网络通讯层和平台管理层。
现场设备层:包含微机保护、智能操控、多功能仪表、计量表等设备,用于采集站内配电柜内电气运行参数、开关状态、电气接点温度等数据,同时分别在35kV变电站和10kV变电所配置多套直流电源,保障现场设备良好的运行环境。
网络通讯层:包含ANet-2E8S智能网关。网关主动采集现场设备层设备的数据,并可进行规约转换,数据存储,分散10kV变电站通过数据采集箱(内置智能网关)采集数据通过光纤上传至通信室变电站综合自动化监控系统平台;同时网关充当远动通信装置,将现场设备数据采集后通过交换机经纵向加密数据加密后上传调度网。
平台管理层:变电站综合自动化监控系统平台、电力监控系统平台、企业微电网能效管理平台。

图3 监控系统网络结构图
3.解决方案
3.1方案综述
本项目本次工程在35kV、10kV配电系统中配置AM5SE系列微机保护装置,其中35kV主变配置整套主变保护屏,实现主变的差动保护、后备保护、非电量保护及主变温度监测;35kV其他回路及10kV各回路就地配置AM5SE系列微机保护装置。

图4 35kV开关柜现场图

图5 10kV开关柜现场图
在电气监控室配置一套电源系统,为整个变电站的断路器、二次设备及监控主机等重要设备运行提供稳定可靠的电源。
在电气监控室配置一面时钟同步屏,实现变电站内所有微机保护装置的时钟同步。
在电气监控室配置一面公用测控屏,实现变电站内总进线电能质量监测;35kV侧母线电压/10kV侧站用变电压等模拟量遥测;微机保护装置异常信号等遥信。
在电气监控室配置一套变电站综合自动化系统,通过通讯管理机实现变电站综合自动化监控与管理。
在电气监控室配置一套微机五防监控系统,在35kV及10kV开关柜内配置机械五防锁具及电气五防锁具,通过五防系统实现对全站设备的五防操作闭锁功能。在五防工作站上进行操作预演,检验、打印和传输操作票,并对一次设备实施五防强制闭锁。
在电气监控室配置一面计量屏,实现站内的总电能计量与主变电能计量。

图6 电气监控室屏柜布置效果图
35kV变电所1座,区域变电所3座,35kV变电所为独立二层建筑物,其中一层为35kV开关室、35kV变压器室、10kV开关室,二层为10kV变压器及0.4kV开关室、通信室。区域变电所为装置楼一层独立区域,配置10kV开关柜、变压器及0.4kV低压柜。
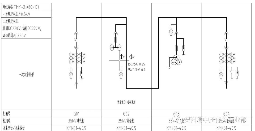
35kV变电所内35kV开关室一次系统图如图1所示,共有4面开关柜,分别为:1面进线柜、1面出线柜、1面计量柜、1面PT柜。

图3 35kV开关室一次系统图
35kV变电所内10k开关室一次系统图如图2所示,共有16面开关柜、其中2面10kV进线柜、9面变压器出线柜(含备用出线柜3面)、1面母联柜、1面隔离柜、2面PT柜、1面计量柜。

图4 10kV开关室一次系统图

图5 各分散10kV变电所进线柜一次系统图
3.2功能需求
3.2.1 35kV监控保护方案
1)35kV进线保护:
35kV进线柜配置一台线路保护AM5SE-F,当回路故障时,用于跳开本柜断路器,切断故障。
2)35kV/10kV 主变压器保护:
本项目共有1#、2#两面35kV主变压器出线柜,采用整套主变保护装置集中组屏方式,配置2台主变保护屏。屏柜设立在电气监控室,每面屏柜上装设1台差动保护装置AM5SE-D2、1台高后备保护装置AM5SE-TB、1台低后备保护装置AM5SE-TB、1台高侧测控装置AM5SE-K、1台低侧测控装置AM5SE-K、1只变压器温控仪ARTM-8及转换开关、压板、空气开关等其他控制设备。
差动保护装置:作为主变压器内部及引出线短路故障的主保护,动作后跳主变压器高低两侧断路器;
高后备保护装置:作为35kV侧的后备保护以及变压器的非电量保护,动作后跳主变压器高低两侧断路器;
低后备保护装置:作为10kV侧的后备保护,动作后跳主变压器高低两侧断路器;
高侧测控装置:用于监测35kV侧测量电流、测量电压;
低侧测控装置:用于监测10kV侧测量电流、测量电压;
变压器温控器:监测主变压器内部绕组温度;

3)35kV PT保护:
PT柜配置一台PT并列及监测装置AM5SE-UB,实现PT监测功能,当回路电压出现异常时,及时发出告警信号。
4)35kV开关柜综合测控
35kV各开关柜配置一台智能操控装置ASD200,实现高压开关柜内刀闸状态、温湿度等综合测控。
3.2.2 10kV监控保护方案
1)10kV进线保护:
10kV进线柜各配置一台线路保护AM5SE-F,当回路故障时,用于跳开本柜断路器,切断故障。
2)10kV出线保护:
10kV出线柜各配置一台线路保护AM5SE-F,当回路故障时,用于跳开本柜断路器,切断故障。
3)10kV变压器柜保护:
10kV变压器柜各配置一台变压器保护装置AM5SE-T,当回路故障时,用于跳开本柜断路器,切断故障。
4)10kV电容器保护:
10kV电容器柜配置一台电容器保护装置AM5SE-C,当回路故障时,用于跳开本柜断路器,切断故障。
5)10kV母联保护
母联柜配置一台备自投保护装置AM5SE-B,用于实现两进线和母联之间的自动投切(进线备自投/母联备自投/联切备自投/自适应备自投),同时实现母联保护功能。
6)10kV PT监测
PT柜配置一台PT监测并列装置AM5SE-UB,实现两台PT柜间的切换以及监测,当回路电压出现异常时,及时发出告警信号。
7)10kV开关柜综合测控
10kV各开关柜配置一台智能操控装置ASD200,实现高压开关柜内刀闸状态、温湿度等综合测控。
8)AMC96多功能表
10V各开关柜配置一只多功能仪表AMC96L-E4,实时监测各开关柜电流、电压等电参量。
3.3 0.4kV配电室监控方案
0.4kV配电柜共配置AMC96L-E4仪表35只,AMC72L-E4仪表76只。0.4kV电力监控系统通过接入以上AMC系列多功能电力仪表,实现对0.4kV配电回路的数据采集、运行监视、电能计量功能。
3.4 微机五防闭锁方案
针对35kV及10kV开关柜,每台断路器配置五防电气锁1把,每个手车包含断路器手车、PT手车、隔离手车配置手车闭锁套件1套,按手车数量的2倍配置柜内闭锁套件,每个接地刀与隔离刀配置接地刀闭锁套件1套,配置接地头(按柜子数量的一半配置)。五防解锁钥匙4把、充电器2个、电脑钥匙2把、微机五防主机1台、微机五防软件一套。
3.5 时钟同步方案
配置时钟同步装置ATS1200GB一台,置在电气监控室时钟同步屏,时钟源支持GPS和北斗。监控系统、通讯管理机和微机保护装置均从该装置获得授时(对时)信号,保证I/O数据采集单元的时间同步达到1ms精度要求。当时钟失去同步时,自动告警并记录事件,当时钟失去电源时,自动生成告警信号。监控系统设备采用NTP对时方式,微机保护装置对时接口采用IRIG-B对时方式。

3.6公共测控方案
配置公用测控屏一面,放置AM5SE-K公共测控装置2台和APView500电能质量监测装置1台。2台AM5SE-K分别采集站内35kV侧母线电压/10kV侧站用变电压、各微机保护装置异常信号;并预留遥控出口各4路。并配置一台电能质量监测装置APView500,监测电能质量如电压谐波与不平衡/电压偏差/频率偏差/电压波动与闪变等稳态数据、电压暂升/暂降/短时中断暂态数据,当检测到电能质量异常时,触发故障录波与数据记录,为后续的电能质量分析提供数据支撑。

3.7 电源方案
本项目针对配电室内监控设备的提供电源,具体配置方案如下:
直流柜GZDWJM-100/200-M、蓄电池柜、UPS电源柜、交流屏、交流馈线柜、事故照明柜、直流电源屏GZDWJM-40/110-M(1套1屏)各一面。为整个变电站的断路器、二次设备及监控主机等重要设备运行提供稳定可靠的电源。
3.8变电所综合自动化系统方案
设置35-10kV变电所综合自动化监控屏1面,通讯管理机2台,远动装置1台。实现35kV及10kV开关柜微机保护装置、测控装置、直流屏及其它智能设备的数据采集。实现变电站的遥测、遥信、遥控、报警、报表、操作票、防误操作等相关功能实现变电站内数据采集与实时监控。单网组网方式,实现变电站内数据采集与实时监控。单网组网方式,实现变电站内数据采集与实时监控。

3.9计量屏方案
本项目计量屏配置一只DTZ1296三相四线制,有功0.2S,无功2.0, 3×57.7/100V,3×1.5(6)A电度表用于进线处计量,两只DTZ1296三相四线制,有功0.2S,无功2.0, 3×57.7/100V,3×1.5(6)A电度表用于主变处计量,一台FKGA23型专变采集终端(带以太网口,4G通讯),通过电采集终端将电度表数据上传至调度平台和监控系统。
3.10远动通信方案
在电气监控室配置一面调度数据网屏,配置II型网络监测装置PSSEM-2000S、路由器AR6140-S、交换机SG1528A-S2-24T-ST、NetKeeper-2000(百兆型)纵向加密认证装置(百兆型),通过专用通道点对点方式以及站内的数据网接入设备向各级调度传送远动信息。
3.11 0.4kV电力监控屏
设置0.4kV电力监控屏1面。对低压多功能仪表进行数据采集。实现低压多功能仪表的遥测、遥信、遥控、报警、报表等相关功能实现变电站内数据采集与实时监控。实现供配电系统在运行过程中的数据采集、运行监视、事故记录和分析、继电保护等,完成企业的供电、用电管理和运行管理。
遥测量

3.12配置设备方案
表1 我司提供方案设备列表





4.系统功能
4.1.实时监测
4.1.1综合看板
系统提供低压配电监测大面板,提供变电站和光伏电站运行情况展示,通过地图显示各电站具体位置,并展示目前告警数目和具体信息。
地图支持放大缩小且响应迅速。
报警信息支持轮播功能。

4.1.2 35kV配电系统
系统提供35kV/10kV一次系统图展示全站电气主接线图(支持缩放方式)包括显示设备运行状态、各主要电气量(电流、电压、频率、有功、无功)等的实时值。

图 35kV变电站综合自动化系统界面图
4.1.3变电所运行看板
展示单个变电站运行状况,并提供系统一次图。
变电站基础信息维护,包括变压等级,装机容量,申报需量,变压器数量等。
提供变电所实时负荷曲线查询,数据实时刷新。
提供变电站分时段用电今日昨日对比柱状图。
提供低压侧系统一次图,数据实时刷新。

图 企业微电网能效管理平台变电所运行看板界面图
4.1.4直流屏监测
提供直流屏遥测数据,一/二路交流电压监测。

图 企业微电网能效管理平台直流屏监测界面图
4.1.5 变压器监测
展示所选变压器实时负载率,频率,三相电压电流,三相绕组温度,电压/电流不平衡度。提供负载率、有功功率、无功功率曲线。如图7.3.6所示。
数据实时刷新,响应迅速。
支持三相功率曲线同时展示。

图 企业微电网能效管理平台变压器监测界面图
4.1.6电能质量稳态监测
提供电能质量检测仪所采集数据,如电压值,偏差率,谐波畸变率,电流值,分相功率,总功率等。如图7.4.2所示。
数据实时刷新,响应迅速。

图 企业微电网能效管理平台电能质量稳态检测界面图
4.1.7电能质量谐波监测
通过柱状图展示电能质量检测仪谐波和间谐波各频谱。如图7.4.3所示。

图 企业微电网能效管理平台电能质量谐波检测界面图
4.2数据采集和存储
4.2.1数据采集和处理

图 数据采集界面图
监控系统通过通信管理机实时采集模拟量、状态量等信息量;通过公共接口设备接受来自其他通信装置的数据,具有单独配置通信采集点信息的模块,不与数据库等其它部分相关联,并独立运行。
对所采集的实时信息进行数字滤波、性检查,工程值转换、信号接点抖动、刻度计算、人工置入等加工。从而提供电流、电压、有功功率、无功功率、功率因数等各种实时数据,并将这些实时数据带品质描述传送至站控层和各级调度。
4.2.2数据库的建立与维护

图 数据库建立与维护界面图
数据库分为实时数据库和历史数据库,实时数据库存储监控系统采集的实时数据,其数值根据运行工况的实时变化而不断更新,记录被监控设备的当前状态;历史数据库对于需要长期保存的重要数据将存放在历史数据库中。提供通用数据库,记录周期为1min、5min、30min、60min任意调节。历史数据实现在线滚动存储5年,无需人工干预。所有的历史数据转存到光盘或磁带等大容量存储设备上作为长期存档。对于状态量变位、事件、模拟量越限等信息,按时间顺序分类保存在历史事件库中,并保存10年,以供查询。
4.3调节与控制

图 变电站综自系统调节与控制界面图
操作员对需要控制的电气设备进行控制操作。监控系统具有操作监护功能,允许监护人员在操作员工作站上实施监护,避免误操作。
原则上间隔层控制和设备就地控制作为后备操作或检修操作手段。为防止误操作,在任何控制方式下都需采用分步操作,即选择、返校、执行,并在站级层设置操作员、监护员口令及线路代码,以确保操作的性和正确性。对任何操作方式,保证只有在上一次操作步骤完成后,才进行下一步操作。同一时间只允许一种控制方式。
纳入控制的设备有:
a) 35kV及以下断路器;
b) 35kV及以下隔离开关及带电动机构的接地开关;
c) 站用电380V断路器;
d) 主变压器分接头;
e)继电保护装置的远方复归及远方投退连接片。
4.4 微机五防闭锁

图 变电站综自系统微机五防界面图
具备全站五防闭锁功能。具有防止误拉、合断路器;防止带负荷拉、合开关;防止带电挂接地线;防止带地线送电;防止误入带电间隔的功能。
配置独立于监控系统的专用微机五防系统。远方操作时通过专用微机五防系统实现全站的五防操作闭锁功能,就地操作时则由电脑钥匙和锁具来实现,同时在受控设备的操作回路中串接本间隔的闭锁回路。专用微机五防系统与变电站监控系统共享采集的各种实时数据,不独立采集信息,采用相互通信的间隔层测控装置实现。
4.5系统运行
4.5.1仪表通讯状态
仪表通讯状态主要用于监测目标站点的仪表设备数据是否正常交互、是否有离线发生、何时离线与数据交互中断的持续时间等内容,为用户初步判断设备问题提供依据。

图 企业微电网能效管理平台设备通信界面图
4.5.2 网关通讯状态
网关通讯状态主要用于监测目标站点的网关设备数据是否正常交互、是否有离线发生、何时离线,为用户初步判断网关问题提供依据。

图 企业微电网能效管理平台网关通信状态界面图
5.结语
Acrel-EMS企业微电网能耗管理平台解决方案,通过一个平台即可整体对用电进行集中监控、统一调度、统一运维,满足用户可靠、、节约、、有序用电的要求。对用户提供运维服务,实现能源互联,信息互通,打破信息孤岛;根据用电设备负荷重要性分级管理,错峰有序用电,提高运维人员的技能,保证电网稳定运行。

