
产品分类
更新时间:2024-06-05
浏览次数:558【摘要】:能源是维持社会稳定发展的关键助力,其可以在实际生产发展阶段中合理转化为社会公众必需的动力、光能、热能及其他自然资源。结合各类条件及划分标准来看,可以将能源展开多样化分类定位,主要包括常规能源与新能源,前者通常涵盖了石油、水能、天然气、煤炭等普及使用的能源类型,而后者是新时代社会还没有普遍开发及利用的资源,主要涉及海洋能、太阳能、风能及地热能等等。在此期间,风能主要是因地表结构在高温度条件下产生的水蒸气与气温差造成的气压差异,进而在空气由高压区域朝向低压区域不断流动所产生的风,此过程中所形成的动能便被称为风能。太阳能指的是阳光照射于地球表层展开能量转换与利用。分布式发电中的储能系统为了有效降低功率波动所带来的影响,就需要在外部电网展开新能源输出,从而促使系统时刻维持自带负载输出状态。
【关键词】:分布式新能源;发电;储能系统;能量管理;分析
1绪论
在新能源的概念下,可以将其定义为:新能源是指具有一定能量的清洁的可再生能源,它是一种新型的可持续发展的资源和能源。生物质能是借助各类绿色植物的光合作用实现能量转换。地热能主要来源于地球熔岩内部存在的天然热能,海洋能通常涵盖了波浪能、潮汐能等等。成本是对资源消耗展开化运算的计量方法,不但涉及资金费用的消耗,还包括人力资源与物力资源的成本。成本作为产品价格的定价条件,其承担着彰显企业管理水准、经营业绩和竞争实力的关键角色。各项产品的材料消耗、生产力及能源消耗量等均贯穿于企业经营管理的全过程当中,并利用成本指标体现在大众视界中。在社会发展的过程中,能源是人类生存和活动的物质基础,是经济增长的重要动力。在过去的几十年里,化石燃料的大量消耗和环境污染的问题一直没有得到解决,人们开始寻求新的清洁可再生能源来代替传统的石油、煤炭等B可再生的能源资源。近年来,风能、太阳能等新型可再生能源的开发利用越来越受到重视,我国已经把风电作为未来电力系统建设的重点项目。
2分析新能源的概述
2.1分析新能源的含义
我国的传统化石能源主要是有煤炭、石油和天然气,其中煤的储量占据总储量的百分之七十左右,然而这些矿物都是B可再生的,而可再生的煤量约占总产量的百分之六十以上,大约占据全国总产煤量的百分之五到百分之十。由于燃烧时产生了大量的污染物(如二氧化硫,NOx,CH4),导致环境污染严重。因此,开发新型的洁净高效的可替代的清洁环保的电力系统,减少对常规电源的依赖性,实现节能减排,提高电力系统的安全稳定运行,是电网公司的重要任务。在传统的电力系统中,主要使用的都是风能、太阳能、水能等。而这些都是电能,它们都不能被替代,所以人们把目光转向了其他的领域一光伏发电。风能作为目前世界上丰富的可用能源,它也是取之不尽、用之不竭的重要来源。但是,由于其自身存在的局限性,导致了它的开发利用受到很大限制。因此,要想使风力发电的技术得到更好的应用,就需要对其进行更深入的研究与探索。
2.2分析新能源发电的现状
对于我国而言,是存在着比较丰富的风能储量,其中太阳能的开发和应用是大的优势之一,在以往的二十年中,光伏产业的发展速度是快的。在二零一一年,光伏发电的总装机容量达到了三万千瓦,占全国总发电量的百分之零点五。但是由于技术的落后和成本的高低等因素,导致目前的风力发电的规模一直不能满足市场的需求量。我国的新能源发电的开发与应用起步较晚,在计划经济体制下,对传统的火力发电的依赖性很强,而且由于新能源资源分布不均匀,导致了新能源的利用率较低,这也限制了其使用范围。
3分析分布式新能源发电中的储能系统工作模式
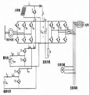
系统能源管理的过程中,关键的参数主要包括以下几个方面内容:一是电池的超前状态;二是超级电容器。在物理算法中,超电容器和单电压的平方形成正比例的关系,因此可以推出能够通过测量超电容器的单电压获取剩余容量。但需要特别注意的是,电池在工作过程中,剩余容量和单电压两者之间并不存在明确的函数关系,在此情况下就需要采取间接测量法。分布式新能源发电中的储能系统使用的是系统系数积分法与卡门过滤器,从而实现在电池的线上能够计算出SOC。对此进行简要的分析与讨论,根据相关预测,如果将电力容量的SOC正常状态设定为百分之二十到百分之九十之间,那么低容量可能为百分之二十以下,高容量则为百分之九十以上。可以得出在实际应用过程中会存在诸如SOC的百分之三十到百分之九十、电池、低容量以及高容量等多种模式。当采用同一种控制策略应对所有模式时,检查电池的SOC、超级电容器以及系统运行时间之外的电网,就可以明确分布式新能源中储存能量所需的控制策略。如图1所示,AC/DC总线混合发电系统,主要借助太阳能和风力发电,通常情况下,在实际运行过程中,高的跟踪状态则为太阳能与风力发电输出处于快速的变化因素。例如,在天气情况良好的状态下,采用超级电容器作为能源储存设备。在此之外分布式的新能源发电中,储能系统为了可以促进其在孤岛状态下处于长期和稳定的运行模式,则是需要采用长期能量储存的装置,通过合理的应用大容量的电池,例如612V/65Hz。应明确的是,根据两种不同的能源储存单元的自身特点、外部电网实际状况以及剩余容量情况等,分别采用针对性的控制策略。

图1交流混合母线分布式发电系统
4分析各种各样工作模式下的电能管理策略
4.1分析储能系统处于正常模式的情况
对于这种模式而言,是为常见的工作模式,此时电池的剩余容量和超级电容都是维持在正常状态中,但是因为新能源发电系统采用的太阳能和风能发电模式都是具有着间歇性的特点,所以实际运行时容易出现本地载荷骤然降低或增加的突发情况。当出现此种情况时,势必会导致发电系统输出功率发生高频波动。并且同时又因为蓄电池装置需要比较长的时间来完成充电或是放点过程,就难以及时有效的控制此种高频波动。所以,就应当充分利用超级电容控制这部分波动功率。除此之外,在分布式新能源发电储能系统处在孤岛条件或并网状态下运行时,同样可以对储能系统中的功率采取上述能量管理策略进行合理的配置,根据实际运行情况产生出实际所需功率。同时能够通过合理调节增益K的方式,实现有效分配超级电容与蓄电池两种储能装置所输出的功率。例如,当超级电容剩余较大的容量时,可以将增益K相应的提高,从而促使超级电容能够承担较多的功率输出。
4.2分析蓄电池的异常模式
蓄电池异常模式状态下的情况主要表现为蓄电池储能装置所剩余的容量处于比较低或比较高的状态,然而超级电容装置中的剩余容量却一直处于正常状态。在这个情况下,就会使其整体电网系统运行的安全性和稳定性大幅度的降低。所以为了确保系统的正常运行,在极短的时间内使系统恢复到正常工作模式。同时,当分布式发电中的储能系统处于并网状态的情况下,其实际的运行状态就会与蓄电池电容异常模式比较接近,此时,为了尽快恢复蓄电池装置自身的剩余容量,就采用内外电网能量交换的方法,从而真正确保系统的正常运行。在此过程中,可能会产生一定的功率冲击,但其对系统造成的实际影响并不明显。除此之外,在孤岛状态下储能系统实际运行过程中,由于超级电容装置自身能量存储状态有一定的限制,因此难以促使蓄电池装置在短时间内借助能量传递的方式恢复到正常工作状态。针对此种情况,就只能借助超级电容来确保能量的有效传递,直到并网成功之后,才能够再将蓄电池装置充电,从而确保其能够恢复到正常的运行状态。
4.3分析超级电容异常模式
对于超级电容异常模式而言,其所表现出的异常情况主要是为在蓄电池储能装置自身剩余容量处于正常情况下,而超级电容储能装置中的剩余容量却会出现较高或者是比较低的异常情况。在这个情况下,分布式发电储能系统自身的性能会降低,例如其吸收和释放高频功率性能,严重时还会给整体系统相应功能带来严重的负面影响。及时使系统恢复到正常的工作模式。与此同时,当分布式新能源发电中储能系统处于并网状态当中时,可以将外部电网视为一个不设上限的电网连接,在此情况下,超级电容就可以借助能量传递的方式,来将超出自身的能量传递到外部电网当中,从而能够促使自身在短时间内恢复到正常的运行状态。此外,在孤岛状态下,储能系统运行过程当中,由于会缺乏外部电网提供的相应辅助支持,因此就应当充分确保储能系统一直维持在功率平衡的
稳定状态,通过超级电容来切实提升系统自身的反应力。与此同时,为了确保分布式新能源发电输出功率稳定性的有效提升,还强化超级电容与蓄电池二者储能装置之间的能量传递,从而切实达到能量有效管理的目的。
4.4分析全部异常模式
针对于全部异常模式状态下的储能管理策略而言,是需要综合上述几种异常情况,通过直流母线之间的相互均衡,使其促进异常模式可以合理的转变为上述的其中一个模式,之后采用相对应的管理策略进行控制。针对都处于异常模式下的能量管理策略来讲,可以分为下面两种情况:一是蓄电池剩余容量与超级电容都处于过高的情况,此时就需要在孤岛运行过程中,控制其自身输出功率;二是对于蓄电池剩余容量与超级电容两者都处在过低的状态下来讲,为了有效维持敏感负荷始终处于正常状态下,就剔除一些不必要的负载,从而充分确保分布式新能源发电系统处于稳定状态。
5 Acrel-2000ES储能能量管理系统
5.1平台概述
开云官方端网站登录入口Acrel-2000ES储能能量管理系统具有完善的储能监控与管理功能,涵盖了储能系统设备(PCS、BMS、电表、消防、空调等)的详细信息,实现了数据采集、数据处理、数据存储、数据查询与分析、可视化监控、报警管理、统计报表等功能。在高级应用上支持能量调度,具备计划曲线、削峰填谷、需量控制、备用电源等控制功能。既可以用于储能一体柜,也可以用于储能集装箱,是专门用于设备管理的一套软件系统平台。
5.2系统结构图

系统人机界面友好,能够显示储能柜的运行状态,实时监测PCS、BMS以及环境参数信息,如电参量、温度、湿度等。实时显示有关故障、告警、收益等信息。

系统能够实时监测PCS、BMS、电表、空调、消防、除湿机等设备的运行状态及运行模式。





PCS监控:满足储能变流器的参数与限值设置;运行模式设置;实现储能变流器交直流侧电压、电流、功率及充放电量参数的采集与展示;实现PCS通讯状态、启停状态、开关状态、异常告警等状态监测。


BMS监控:满足电池管理系统的参数与限值设置;实现储能电池的电芯、电池簇的温度、电压、电流的监测;实现电池充放电状态、电压、电流及温度异常状态的告警。


空调监控:满足环境温度的监测,可根据设置的阈值进行空调温度的联动调节,并实时监测空调的运行状态及温湿度数据,以曲线形式进行展示。


UPS监控:满足UPS的运行状态及相关电参量监测。
系统能够对PCS充放电功率曲线、SOC变换曲线、及电压、电流、温度等历史曲线的查询与展示。


满足储能系统设备参数的配置、电价参数与时段的设置、控制策略的选择。目前支持的控制策略包含计划曲线、削峰填谷、需量控制等。



储能能量管理系统具有实时告警功能,系统能够对储能充放电越限、温度越限、设备故障或通信故障等事件发出告警。

储能能量管理系统能够对遥信变位,温湿度、电压越限等事件记录进行存储和管理,方便用户对系统事件和报警进行历史追溯,查询统计、事故分析。

可以通过每个设备下面的红色按钮对PCS、风机、除湿机、空调控制器、照明等设备进行相应的控制,但是当设备未通信上时,控制按钮会显示无效状态。

储能能量管理系统为保障系统安全稳定运行,设置了用户权限管理功能。通过用户权限管理能够防止未经授权的操作(如遥控的操作,数据库修改等)。可以定义不同级别用户的登录名、密码及操作权限,为系统运行、维护、管理提供可靠的安全保障。

6相关平台部署硬件选型清单
设备 | 型号 | 图片 | 说明 |
储能能量管理系统 | Acrel-2000ES |
| 实现储能设备的数据采集与监控,统计分析、异常告警、优化控制、数据转发等; 策略控制:计划曲线、需量控制、削峰填谷、备用电源等。 |
触摸屏电脑 | PPX-133L |
| 1)承接系统软件 2)可视化展示:显示系统运行信息 |
交流计量表计 | DTSD1352 |
| 集成电力参量及电能计量及考核管理,提供各类电能数据统计。具有谐波与总谐波含量检测,带有开关量输入和开关量输出可实现“遥信"和“遥控"功能,并具备报警输出。带有RS485 通信接口,可选用MODBUS-RTU或 DL/T645协议。 |
直流计量表计 | DJSF1352 |
| 表可测量直流系统中的电压、电流、功率以及正反向电能等;具有红外通讯接口和RS-485通讯接口,同时支持Modbus-RTU协议和DLT645协议;可带继电器报警输出和开关量输入功能。 |
温度在线监测装置 | ARTM-8 |
| 适用于多路温度的测量和控制,支持测量8通道温度;每一通道温度测量对应2段报警,继电器输出可以任意设置报警方向及报警值。 |
通讯管理机 | ANet-2E8S1 |
| 能够根据不同的采集规约进行水表、气表、电表、微机保护等设备终端的数据采集汇总;提供规约转换、透明转发、数据加密压缩、数据转换、边缘计算等多项功能;实时多任务并行处理数据采集和数据转发,可多链路上送平台据。 |
串口服务器 | Aport |
| 功能:转换“辅助系统"的状态数据,反馈到能量管理系统中。1)空调的开关,调温,及断电(二次开关实现);2)上传配电柜各个空开信号;3)上传UPS内部电量信息等;4)接入电表、BSMU等设备 |
遥信模块 | ARTU-KJ8 |
| 1)反馈各个设备状态,将相关数据到串口服务器;2)读消防1/0信号,并转发给到上层(关机、事件上报等);3)采集水浸传感器信息,并转发给到上层(水浸信号事件上报);4)读取门禁程传感器信息,并转发给到上层(门禁事件上报)。 |
参考文献
史明亮.探析新能源发电与分布式发电及其对电力系统的影响[J].现代制造技术与装备
陈浩龙.适应分布式新能源发电系统负荷调峰策略研究[J].节能与环保
黄北军.共直流母线型的分布式新能源发电系统协调控制技术研究[J].电气开关
开云官方端网站登录入口企业微电网设计与应用手册.2022.05版
董畅.分布式新能源发电中的储能系统能量管理分析
上一篇:某工业大学校园能耗监测管理平台应用