
产品分类
更新时间:2024-04-11
浏览次数:489胡冠楠
开云网页版登录入口电气股份有限公司 上海嘉定
摘 要:文章以GB51309—2018《消防应急照明和疏散指示系统技术标准》为设计依据,结合某炼钢车间转炉项目的设计过程,在炼钢车间电气室的疏散照明和备用照明的设计思路、原则和方法等方面进行阐述。通过选择合理的消防应急疏散照明控制系统及灯具供配电方案,为人员安全疏散提供必要的照度和准确的疏散信息,从而保障人员的安全疏散。
关键词:疏散照明;应急集中电源;集中控制型系统
0引言
消防应急照明和疏散指示系统是指在突发事件尤其是发生火灾时,为人员疏散和应急救援提供应急照明和疏散指示的建筑消防系统。应急照明和疏散指示系统按照用途可分为疏散照明和备用照明。本文将从炼钢车间电气室的疏散照明和备用照明的设计原则和方法等方面进行探讨。
1.工程概况
某炼钢车间新建一座180t转炉,除在加料跨外侧设置一座转炉主控楼(与炼钢车间10KV开关站合建)外,同时在车间内设置连铸车间变电所、旋流井电气室,车间外设置循环水泵房电气室、上料电气室及一次除尘电气室等,其中转炉主控楼为地上三层钢筋混凝土框架结构的工业建筑,火灾危险性为丙类,除变压器室耐火等级为一级外,其他耐火等级均为二级,建筑面积为3954.95㎡,总高为16.3m。
2.应急疏散照明
2.1控制系统选择
消防应急疏散照明控制系统分为集中控制型和非集中控制型。对于设置了消防控制室的场所应采用集中控制型系统;而对于设置了火灾自动报警系统,但未设置消防控制室的场所则宜采用集中控制型系统。本工程中选用控制系统考虑如下因素:
(1)消防控制室虽然设置于公辅项目消防泵房内,但消防控制室与转炉同期建设,转炉车间及各建筑物均在消防控制室管辖范围内;
(2)各电气室均设置有火灾自动报警系统;
(3)主控楼内人员密集;
(4)主控楼电缆夹层中设置了细水雾自动灭火系统;
(5)主控楼设置消火栓系统。综上所述,转炉炼钢车间各电气室应急疏散照明的控制系统采用集中控制型系统。集中控制型系统通常包括应急照明控制器、应急照明集中电源、消防应急照明灯具、消防应急标志灯具。
2.2应急灯具选择
应急灯具根据工作电压等级及供电方式可划分为A型应急灯具和B型应急灯具。“A型应急灯具"为额定工作电压不大于DC36V的应急灯具。“B型应急灯具"为额定工作电压大于AC36V或DV36V的应急灯具。安装于距地面8m及以下的灯具应选择A型灯具;未设置消防控制室的建筑物可选择自带电源B型灯具。
本工程中选用应急灯具考虑如下因素:
(1)电气室应急疏散灯具多数安装于2.5m以下,仅少部分灯具根据门高设计,低于3.5m安装;
(2)电气室内均设置火灾自动报警系统;主控楼电缆夹层设置了细水雾自动灭火系统;
(3)主控楼设置消火栓系统。
为避免疏散过程中触及外壳发生触电事故,本工程采用安全电压等级的A型非持续型应急灯具。本工程所选应急照明灯具及标志灯具采用电子编码方式,可通过编码器以红外遥控方式对应急照明灯具和标志灯具进行无线遥控编址。采用二总线、无极性接线方式,大大提高了工程的施工效率。
2.3应急系统配电
本工程中应急灯具采用集中电源供电方式。应急照明集中电源采用AC220V输入,正常/应急均为DC36V输出,自带蓄电池。正常状态时主电源(市电)为集中电源供电,集中电源为DC36V应急灯具供电,当为应急照明集中电源供电的主电源(市电)断电后,集中电源自带的蓄电池为DC36V应急灯具供电。
2.3.1主控楼应急系统配电
主控楼为地上三层钢筋混凝土框架结构的工业建筑,一层设有高压配电室、高压控制室、低压配电室(PCC室)、变压器室等;二层设有电缆夹层、会议室;三层设有低压配电室(MCC室)、PLC室、主控室、调度室、办公室等。根据GB50016-2014《建筑设计防火规范》(2018版)中丙类厂房二级耐火等级多层厂房每个防火分区的*大允许建筑面积为4000m2,本工程中主控楼建筑面积为3954.95㎡,所以主控楼上下三层为一个防火分区:
(1)灯具配电回路设计思路。主控楼疏散单元可分为水平疏散单元和竖直疏散单元。主控楼共三层,按楼层可分为三个水平疏散单元,左右端头的封闭楼梯间为竖直疏散单元,根据疏散单元的划分选取疏散路径,布置灯具,配置回路,合理设置应急照明集中电源,并且按照*短路径疏散原则确定疏散指示方案。水平疏散单元中的高压配电室、PCC室、MCC室、主控室、调度室等发生火灾时仍需要工作,值守的区域和相关疏散通道应单独设置配电回路;竖直疏散单元的封闭楼梯间也应单独设置配电回路。本工程各楼层均只有一种疏散指示方案,所有疏散标志灯均不能采用可变型标志灯。
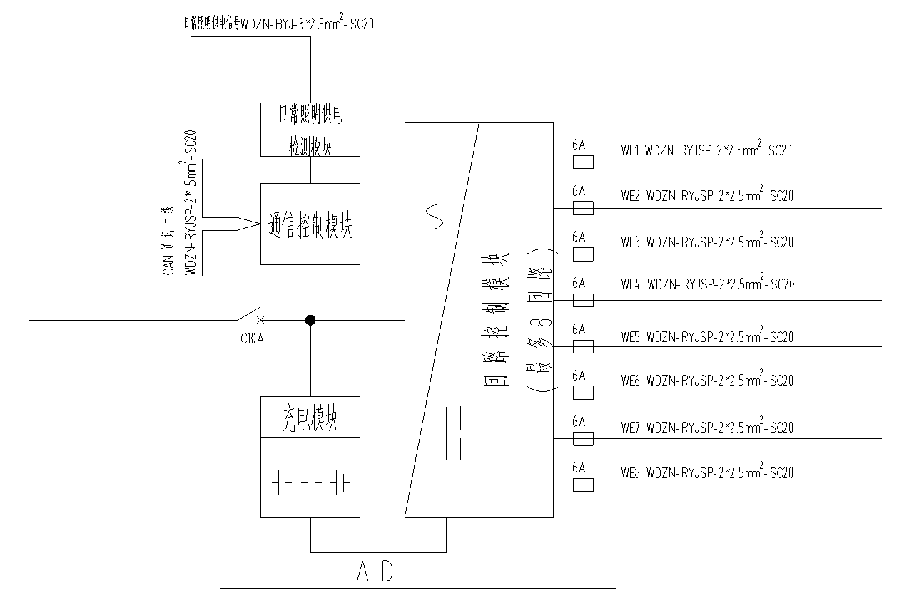
(2)集中电源系统。本工程应急照明集中电源选用A-D-0.5KVA-A200L。根据疏散单元的划分和各房间的使用功能的不同,主控楼共设置两个应急照明集中电源,一个设置于三层MCC室,主要为三层MCC室、主控室、调度室及办公室等的应急照明和疏散照明灯具供电;另一个设置于一层PCC室,主要为一层各高、低压配电室和二层电缆夹层等的应急照明和疏散照明灯具供电。A-D-0.5KVA-A200L具有市电监测功能,及时采集相应供电楼层的照明箱进线电源的工作状态。保证系统在非火灾状态照明停电时,集中电源可以迅速转为蓄电池工作,应急灯具进入应急点亮模式。当照明电源恢复供电后,集中电源及灯具均恢复到原态。火灾状态下,集中电源接收到火灾报警控制器或消防联动控制器的启动信号,自动转入蓄电池电源输出,同时点亮相应的应急照明疏散灯具。集中控制型系统中,集中电源由消防电源的专用应急回路供电。
集中电源拓扑图如图1:

图1
2.3.2电气室应急系统配电
其他电气室均为单层建筑,应急照明集中电源A-D-0.5KVA-A200L设置于各自的电气室内。集中电源采集电气室内照明箱的进线电源状态,当非火灾状态下照明停电时,集中电源转为蓄电池工作,应急灯具进入应急点亮模式;当照明电源恢复供电后,集中电源及灯具均恢复到原态。火灾状态下,集中电源接收到火灾报警控制器或消防联动控制器的启动信号,自动转入蓄电池电源输出,同时点亮相应的应急照明疏散灯具。
2.4集中控制型系统的控制
2.4.1应急照明控制器
本工程仅设置一套应急照明控制器,控制器安装于主控楼调度室内,与转炉炼钢车间火灾报警控制器处于同一调度室内。应急照明控制器电源取自消防电源,同时控制器自带蓄电池,能保证断电后工作3h。本工程选用的A-C-A100应急照明控制器,具有实时对灯具进行巡检的功能,同时可将灯具的状态传送给控制器,且当灯具出现故障时,可通过声、光报警形式通知值班人员。
应急照明控制器与火灾报警控制器或消防联动控制器通过RS485进行网络通讯。当火灾发生时,应急照明控制器接收到火灾报警控制器或消防联动控制器的启动信号,同时点亮相应的应急照明疏散灯具,以保障疏散人群能够按照*佳逃生路线疏散、逃生。
2.4.2通信线路
应急照明控制器与集中电源与应急灯具间均采用总线通信方式连接,应急照明控制器与集中电源间采用树形通信总线通信,现场的多台集中电源通信总线采用手拉连接方式连接。应急疏散照明灯具与集中电源通信发生故障后,发生火灾时,应急疏散灯具应急点亮;照明控制器与集中电源通信发生故障时,集中电源应连锁控制应急疏散照明灯具应急点亮。
本工程中应急照明控制器至消防应急照明集中电源间采用CAN通讯线WDZN-RYJSP-2X1.5mm²;消防应急照明集中电源至消防应急照明及疏散指示灯具间采用二总线WDZN-RYJSP-2X2.5mm².
系统拓扑图如图2:

图2
3.备用照明
高压配电室、PCC室、MCC室、主控室、调度室等发生火灾时仍需要工作,值守的区域均应设置备用照明,并且要求备用照明照度与正常照明照度相同。备用照明分为消防备用照明和重要场所非消防备用照明。电气室(配电室)备用照明应为消防备用照明。本工程各电气室的消防用电为二级负荷的供电系统,采用两回路供电。
(1)主控楼备用照明。主控楼为长度95M、宽度16M的地上三层建筑,一层设有高压配电室、高压控制室、PCC室、变压器室等;二层设有电缆夹层、会议室;三层设有MCC室、PLC室、主控室、调度室、办公室等。根据主控楼的规模及各房间的功能,一层、三层各设置四个照明配电箱,二层设置两个照明配电箱。二层电缆夹层、会议室不考虑设置备用照明;一层除变压器室外,其他所有房间均要求设置备用照明;三层除办公室外,其他所有房间均要求设置备用照明。一层、三层照明配电箱进线采用双电源投切装置,双电源投切装置的两回路电源分别引自上级电源的不同母线段。正常照明兼做备用照明,从而保证火灾时100%正常照明的照度除备用照明的回路外,其他回路(如插座等回路)前面断路器设置分励脱扣单元,当火灾发生时,火灾报警控制器发出信号与分励脱扣器触点连锁,切除非消防负荷。
(2)电气室备用照明。其他电气室均设置一个照明配电箱,照明配电箱进线采用双电源投切装置,双电源投切装置的两回路电源分别引自上级电源的不同母线段。正常照明兼做备用照明,从而保证火灾时100%正常照明的照度。4结束语消防应急疏散和疏散指示系统选择和灯具供配电的合理设计,能够在突发事件尤其是火灾发生时为人员安全疏散提供必要的照明和准确的疏散引导信息,在应急救援疏散安全方面具有十分重要的作用和意义。
4.开云网页版登录入口选疏散产品选型

5.结束语
消防应急疏散和疏散指示系统选择和灯具供配电的合理设计,能够在突发事件尤其是火灾发生时为人员安全疏散提供必要的照明和准确的疏散引导信息,在应急救援疏散安全方面具有十分重要的作用和意义。
参考文献
[1].GB50016-2014(2018 年版)《建筑设计防火规范》(2018年版)[S].
[2].GB17945-2010《消防应急照明和疏散指示系统》[S].
[3].GB51309-2018《消防应急照明和疏散指示系统技术标准》[S].
[4].GB51348-2019《民用建筑电气设计标准》[S].
[5].GB50116-2013《火灾自动报警系统设计规范》[S].
[6].任权凤.《炼钢车间电气室应急疏散照明设计》
[7]开云网页版登录入口企业微电网设计与应用手册2022.05版