产品分类

PRODUCT CATEGORY

技术文章/ TECHNICAL ARTICLES

我的位置:首页  >  技术文章  >  实用可靠的电动机保护控制器的应用

实用可靠的电动机保护控制器的应用

更新时间:2023-06-20      浏览次数:529

胡冠楠

开云网页版登录入口电气股份有限公司 上海嘉定 201801
摘要:介绍了一种新型电动机保护器,兼有电流、电压、过载、短路保护功能。它集电流型和电压型电动机保护器优点于一身,对电源欠电压、过电压、断相起闭锁作用,它结构简单,性能可靠,操作使用方便。
关键词:电动机,电压,电流,过载,速断,反时限
        目前,常见的电动机保护器多为电流型的,近期也有电压型的问世但以上两种保护器在使用过程中均存在不同的缺点,如电流型只反应电流增加,这样在电动机启动过程中就须躲过电动机的启动电流,在正常运行中仍存在躲过启动时间的问题,因此对电动机局部短路或保护器到电动机的线路出现短路就达不到迅速切断电源的作用。电压型的,在保护器以后部分断相亦起不到保护作用。鉴于以上两种保护器存在的缺点,设计了一种可靠的新型电动机保护器,该保护器集过电压、欠电压、断相、过载、短路保护于一体,在电动机运行的全过程中均有保护作用,对各种故障情况均能达到理想的保护,并通过两种显示,起到对断线相的记忆作用。
1 工作原理
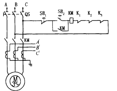
        主控制电路原理图如图。所示。启动电动机前,先合上刀闸开关QS,而后按启动按钮SB2,接触器线圈KM得电,其主回路中的触点接通电动机电源而启动。其辅助触点KM并联于启动按钮,当SB2松开后,KM线圈仍通过其辅助触点继续保持通电,这就是所谓的“自锁"。由于自锁触点的存在,当电网电压消失(如断电)而又重新恢复来电时,只有重新按启动按钮SB2,电动机才会重新启动,这自锁电路就构成了电动机的失压保持环节。在启动后和运行期间,若按停止按钮SB。,其常闭触点断开,KM线圈的供电回路断路,接触器失电,电机停止。断电器K。、K2、K3分别起欠压保护、电流保护和过载及短路保护。
 
图1主控电路原理图
2  电动机保护器的作用
        电动机运行保护器原理框图如图2所示。
2.1电压保护的作用
        在图2a中,取自交流电源侧的三相交流电压经电压变换器、整流器后(取任意相兼做保护器工作电变为直流电压,通过电源指示发光二管,一路经欠压保护稳压二管、放大器放大后送可控与门输入,当三相交流电源电压低于额定电压的。0~5时,欠压保护稳压二管截止,放大器输出低电平,可控与门输出低电平,继电器K1的线圈动作,主控制回路常闭触点K1断开,电动机不能启动,起到欠压保护作用;另一路经过压保护稳压二管、取样电阻经或非门后作为可控与门的控制端。当三相交流电源电压中的任意一相高于额定电压的。0时,稳压二管工作,取样电阻两端的有电压,或非门翻转输出低电平,闭锁与门,迫使与门输出低电平,继电器K1动作,电动机不能启动,起到过压保护作用。当三相电源都未断相且电压在要求的范围内时,三只电源指示发光二管同时亮,指示电源正常,同时经放大器、可控与门输出一高电平,继电器K1不动作,与主控制回路交流接触器线圈KM相串接的常闭触点K1闭合,给电动机启动创造了条件;相反,当三相电源任一相发生断相时,该相电源指示发光二管熄灭,同时与非门输出一低电平,继电器K1动作,其常闭触点K1断开,电动机不能启动,从而起到了电源电压断相保护作用。
 
图2电动机断相保护器原理框图
 
2.2电流保护的作用
        在图2b中,当电源电压正常时,通过主控制回路启动电动机。电动机运转全过程中电流经电流变换器、整流器后一路送给放大器,经与门输出一高电平,使继电器K2不动作,常闭触点K2闭合,给主控制回路提供通路;另一路送给断相记忆电路,发出无电流相即断线相指示。若任一相断线,无论断点在什么位置,来自断线相的电流为0,经整流后送给放大器对应的输入也为0,则与门输出一低电平信号,继电器K2动作,常闭触点K2断开,同时断开主控制回路,使电动机停止运行,由断相记忆电路记下断线相,与之相对应的断相指示灯点亮。
电流的作用,不仅对线路断线能起到保护作用,同时对电动机绕组断线也能起到保护作用,且保护处于电动机运行的全过程,没有时间延时,可实现速动的目的。
2.3反时限延时保护的作用
        图2b中,利用反时限作用原理,实现电动机的过载及短路保护,工作过程如下:
图3反时限特性取自电流变换器的电流信号经整流后得到一组电压信号,该电压信号作用一反时限元件经放大后,由放大器输出一低电平,并使继电器K3动作,K3动作后,串接于主控回路的常闭触点断开,切断电动机主控电源,实现过载及短路保护的目的,反时限部分的调节过程,依据反时限原理工作曲线及不同的电动机以不同的电流额定值倍数对应不同的动作时间进行调节,曲线如图3所示。
 
图3反时限特性
        该保护器中的电流保护部分的反时限保护采用的电子元件,当经电流变换器整流器得到的电压信号值作用到反时限动作元件时,反时限元件开始工作,其动作时间随电流的变大而缩短,如图3反时限区所示。电流倍数继续变大到B点后进入一定时限区,即反时限元件进入稳定区,如图3中b、c段所示。若电流继续变大则保护器进入速动工作区如图3中c点以后,保护器迅速动作,切断电动机电源。如果电动机电流在图3曲线b点前降低,则反时限元件延时动作时间加长,若在a、b段恢复正常工作状态,即i/in≤1后 ,反时限保护元件不动作。同理 ,如果在b、c段电流降低,保护器的动作时间将延长,进入反时限区,直到恢复正常工作。该保护器在电动机电流恢复到正常值即i/in≤1后 ,反时限保护元件立即复位,不影响电动机负载下一个波动区间的保护。
3 开云网页版登录入口ARD系列智能电动机保护器介绍与综合选型
3.1产品简介
        ARD该系列低压电动机保护器,具有过载、断相、不平衡、欠载、接地/漏电、堵转等保护功能。可与接触器、电动机起动器等电器元件构成电动机控制保护单元,具有远程自动控制、现场直接控制、面板指示、信号报警、现场总线通信等功能。应用范围:可广泛应用于煤矿、石化、冶炼、电力、建筑等行业的配电领域。
3.2产品选型
产品功能
说明:“√"表示具备“■"表示可选
4 结束语 
        该保护器适合于不同电压等级的三相交流电动机断相、欠压、过压及过载和短路保护。该断相保护器结构简单,性能可靠,装操作方便。该保护器经一年多的使用,被保护电动机无一台出现被烧毁现象。
【参考文献】
[1]陈德树. 计算机继电保护原理与技术.武汉:华中理工大学出版社,1992 
[2]许实章.电机学(下册).北京:机械工业出版社,1989 
[3]曹坤,刘雨刚.实用可靠的电动机保护器
[4]开云网页版登录入口企业微电网设计与应用手册2020.06版


关于开云网页版登录入口

公司简介

产品展示

Acrel-5000园区厂房能源监测管理系统 能源监测管理系统 能耗计量分析系统 光伏双向计量 学校智慧用电

服务与支持

技术文章新闻中心

联系我们

联系方式在线留言

电瓶车充电桩、电动汽车充电桩禁止非法改装!

版权所有 © 2025 开云网页版登录入口-开云中国    备案号:

技术支持:仪表网    管理登陆    sitemap.xml

手机:TEL

13774417047

地址:ADDRESS

上海市嘉定区育绿路253号

扫码关注我们