
产品分类
更新时间:2023-05-06
浏览次数:557胡冠楠
开云网页版登录入口微电网研究院有限公司 上海嘉定
摘 要 : 目前我国低压电机装机容量巨大,每年烧毁的电机数量触目惊心,由于电机烧毁造成的停产损失更是难以估量。本文结合工程实际应用,介绍电站脱硫项目上电动机保护器的保护功能和参数设定。
关键词 : 电动机保护器;应用; 参数整定
一 、概述
电机损坏的原因,从主观和客观两方面分析主要如下 :
客观原因 : 电气因素 : 缺相、过载、短路、老化、电压异常、频繁启停。机械因素 : 堵转、偏心、振动、轴承磨损、受潮、环境温度高等。
主观原因 : 电气设计元器件选型不合适、保护整定值不合适、部分技术人员不重视参数调整,以及设备巡检不到位。
从经验上来看电机大多数损坏是缺相和受潮引起的。根据经验电机缺相运行引起的损坏占电机总损毁数的一半以上。 电源缺相后会在电机断线相绕组上产生数倍的反电压,短时间就可造成绕组匝间击穿,绕组烧毁。传统热继的反时限特性无法有效保护电机的缺相故障 。随着经济水平的提高、电子元件价格下降,加上工厂企业人员精简,对设备的稳定性、安全性提出个更高的要求。从长远来看电机保护器将是主流趋势。
二、解决方案对比
传统断路器+接触器+热继电器,保护原理为热磁脱扣 。功能简单、调整误差大、响应速度慢,保护功能单一,优点是操作简单、成本低。
该项目方案采用断路器+ 电流互感器+ 电机保护器 。保护全面、精度高、响应快、抗干扰能力强、参数可根据负荷及工况整定,成本稍高。
新型电动机保护器在常规保护的基础上,新增测控、计量、 通讯等功能,实现了智能化、网络化、数字化,为现场设备提供了更加全面有效的保护。它体积小,功能强、可靠性高、设置简单、安装方便。
三、主要功能和保护类型
保护器具有全面的电动机数字保护、电量测量、运行状态监视、保护动作记录和网络通讯、模拟量输出功能 。具有多种启动模式,可实现直接启动、降压启动、星三角启动、正反转运行等。同时具有短路、过载、缺相、三相不平衡、堵转、启动时间过长、欠压、过压、接地、定时限过载等全面保护。并且可实时测量和显示电压、电流、功率因数、电能等多种参数并完成数据上传。
四、现场应用
我司在河北某钢铁集团,燃气电站脱硫工程,对系统内重要工艺设备、潮湿环境的电机、重载设备均设计配备了电机综合保护器,见下表 :
表一:主要电机设备表

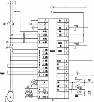
通过电机综合保护器实现现场设备的就地和 DCS 启停、综 合告警和跳闸保护,而且有 4-20mA 电流反馈 。控制和保护回 路如下图所示。
图一:保护回路接线图

图中 Ua、Ub、Uc、UN 为电压测量输入,IA、IB、IC 为三相电流输入,I0 为零序电流输入,L,N 接控制电源,RS485 为通讯接 口,25-33 为开入量端子,其中 31 为外部启动,33 为外部停止, 29 为接触器运行状态 。22 端子外接电机接触器线圈,17 端子 KA3 为开出量,默认为故障报警。
五、保护原理及参数整定
设备送电后确认液晶显示器及按钮正常工作。开入量实验,用导线将装置外部端子短接,装置的开入状态显示中 DI1- DI8 应由断开变为为闭合(由不显示到显示) ,开出量需通过上位软件遥控来实现开出量调试,把控制方式设置为通讯控制,然后用上位机控制回路的启动和停止。验证完毕后输入保护整定值,并按需进行保护投退。
参数整定以脱硫 18.5kW 冲洗水泵为例 。基本参数 : 电机 额定电流 Ie = 34.7A,PT 变 比 1,CT 选 项 值 为 0 ( 对 应 变 比 值 60A /25mA) 、CT 一次值 60A。
( 1) 速断保护是防止电机或者线路相间短路 。任一相电流 超过设定值时,按设定的延时保护动作 。短路速断保护定值一 般整定为电机额定电流的 8-10 倍 。此处投入跳闸,定值 Is = 8Ie,延迟时间 dEL = 0 秒。
( 2) 过流保护是任一相电流超过设定值时,经设定延时保 护动作 。过流保护定值一般整定为额定电流的 1.2-1.5 倍 。此 处投入跳闸,定值 Is = 1.5Ie,延迟时间 dEL = 10 秒。
( 3) 堵转保护是保护电机启动和运行过程中,因负载过大,或者自身机械卡死引起的电机损坏 。堵转保护需按电机堵转电流的一半整定,无法查到堵转电流的可按照额定电流的 4-6 倍整定 。此处投入跳闸,定值 Is = 6Ie,启动时延迟时间dEL = 2 秒,运行时延迟时间 dEL = 1 秒。
( 4) 接地保护保护电机设备单向或多相接地,保护器根据 采样的三相电流值矢量和计算出零序电流 。 当算得零序电流 异常时,按照内部的设定值和时间,延迟后报警或停机 。此处 投入跳闸,定值 Is = 0.3Ie,延迟时间 dEL = 5 秒。
( 5) 缺相保护是检测到电动机某一相运行电流正常,另有 一相没有电流或电流很小则判断为线路缺相,保护动作 。此处 投入跳闸,定值为系统默认,延迟时间 dEL = 1 秒。
( 6) 三相不平衡保护是电机任意一相电流大于或小于与三 相电流平均值(一般电机按照 10% 以内的不平衡度设定) 。此 处投入跳闸,定值 10%,延迟时间 dEL = 5 秒。
( 7) 过压欠压保护过压会引起电机绝缘降低,影响电机寿命,欠压时电机出力转矩成倍下降,严重过载,绕组温度急剧升 高 。当三相电压均小于欠压保护值经延时后保护动作 。
对于一般电机,欠压值一般取额定电压的 60%-70% 。对于 重要负荷的电机,低电压值可取额定电压的 40%-50%,延迟时 间按保证生产工艺及人身、设备安全整定 。此处过压投 入 报 警,定值 Us = 1.2Ue,延迟时间 dEL = 10 秒,欠压投入跳闸,定值 Us = 0.6Ue,延迟时间 dEL = 5 秒。
( 8) tE 时间保护仅用于增安型电动机,此处退出。
( 9) 欠流保护是指当负载为泵或者传送带时候,为了保护设备或人员安全 。当电机的三相的电流小到一定程度,保护动作 。
( 10) 过热保护、晃电自启动、逆序保护、漏电保护均退出, 工作方式选择单向运行。
六、调试期遇到的问题
现场测量电流与 DCS 远程电流不一致,原因是 DCS 量程 需设置成电机综保内输入的电机额定电流而不是电流互感器一次值 ; 远程操作箱及 DCS 启动均不动作,检查为参数项启动 控制方式控制位未设置成端子启动 ; 某回路启动几秒后跳闸, 液晶面板显示缺相故障 。再次启动面板显示 B 相电流为零, AC 相正常 。钳流表实测三相回路电流均正常 。检查紧固电流互感器二次接线后恢复正常。
七、ARD系列电动机保护器产品选型介绍
ARD智能电动机保护器适用于额定电压至660V的低压电动机回路,集保护、测量、控制、通讯、运维于一体。其完善的保护功能确保电动机安全运行,带有逻辑可编程功能,可以满足多种控制方式。该产品采用分体式结构,由主体、显示单元、互感器组成,可适应各种柜体的安装。可选配不同通讯模块适应现场通讯需求。
7.1、功能特点
■支持基波和全波电力参数测量(U、I、P、Q、S、PF、F、EP、EQ),电流及电流不平衡度、电流正序、负序、零序分量、电压、三相电压相角、剩余电流。
■保护功能包括过载反时限、过载定时限、接地、起动超时、漏电、欠载、断相、堵转、阻塞、短路、溢出、不平衡(电流、电压)、过功率、欠功率、过压、欠压、相序、温度、tE时间、外部故障、起动次数限制、运行时间报警、故障次数报警。
■9路可编程DI输入,默认采用内置DC24V电源,也可选择外部有源湿接点。
■5路可编程DO输出,满足直接起动,星—三角起动,自耦变压器起动,等多种起动方式,可通过通讯总线实现主站对电动机的遥控“起/停"。
■可选抗晃电功能:支持晃电立即再启动、失压重起动。
■可选配MODBUS_RTU通讯、PROFIBUSDP通讯,支持最多2路通讯接口。
■可选配1路DC4-20mA模拟量输出接口,与DCS系统相接,可实现对现场设备的监控。
■具有故障记录、起动记录、停车记录、DI变位记录和再起动记录等各类事件记录。
■显示界面液晶显示,支持中/英文切换。
7.2、产品选型


八、结语
新型电机综合保护器应用在电站脱硫项目上,参数设置和调试过程简单直观,保护功能完善,能够有效预防设备损坏和事故发生,为电站脱硫的稳定运行提供了有力保障。
参考文献:
[1]孟晨,王阳.新型电动机综合保护器在电站脱硫系统的应用[J].科技风,2021,6.
[2]开云网页版登录入口企业微电网设计与应用手册.2022.05版.
[3] GB 14048.4-2020 低压开关设备和控制设备 第4-1部分:接触器和电动机起动器机电式接触器和电动机起动器(含电动机保护器).