产品分类

PRODUCT CATEGORY

技术文章/ TECHNICAL ARTICLES

我的位置:首页  >  技术文章  >  导轨式直流电能表在充电桩行业中的应用

导轨式直流电能表在充电桩行业中的应用

更新时间:2023-04-19      浏览次数:677

胡冠楠

开云官方端网站登录入口电气股份有限公司 上海嘉定

摘要:在努力实现“碳中和"的背景下,未来我国新能源汽车的发展趋势不会改变。目前我国新能源汽车进入黄金发展阶段,作为电动汽车的“补给站",充电桩也呈现出的增长,各地出台扶持政策,在这样一个利好的政策下,无疑会提供巨大的市场。基于此,文章主要分析了充电桩应用前景以及应导轨式直流电能表的应用。
关键词:充电桩;新能源;直流电能表;电动汽车
0:概述
       根据《新能源汽车产业发展规划(2021—2035年)》规划,到2025年新能源汽车销量占汽车销量的25%左右,保守预计新能源汽车销量700万辆左右。以新能源汽车保有量 2000万辆、车桩比1:1估算,需要的充电桩数量约1880万台。
       随着新能源汽车越来越多,作为新能源汽车的“加油机",充电桩也越来越多,充电服务市场已经形成了一定的规模和格局。
       充电桩能实现计时、计电度、计金额充电,可以作为市民购电终端。同时为提高公共充电桩的效率和实用性,目前有双枪双路计量,快充和慢充等方式。通常情况,充电桩内部会设有一个直流电能表计,对每一只枪进行用电实时监测。
1:背景应用
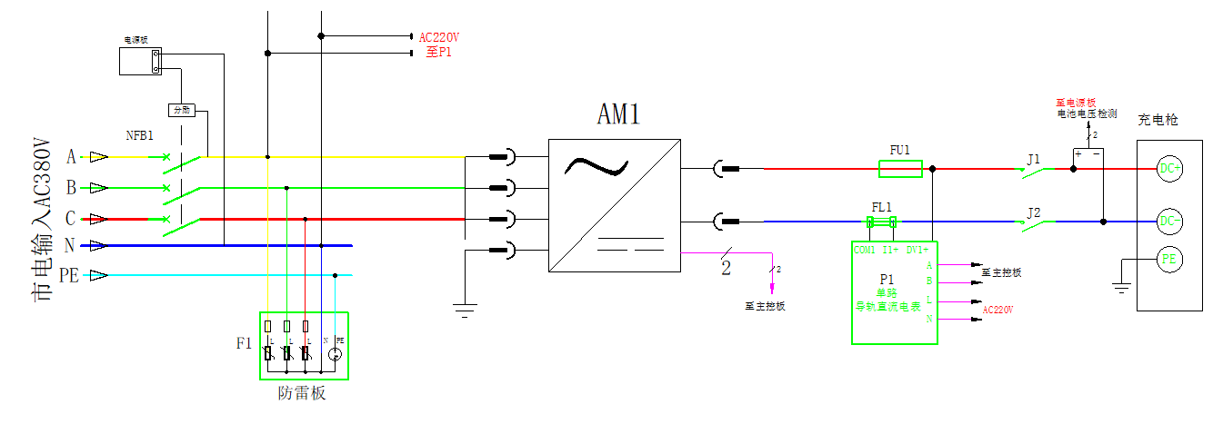
       在电动汽车充电系统中,充电桩通过和汽车电池管理系统(BMS)通讯,将三相交流输入电能转换为BMS 所需的直流电能,在直流母线的输出侧会接入直流电表,用于对输出电能进行计量。充电管理控制器读取直流电能表的电能数据,并控制直流充电输出等。直流电能表可配置分流器或者霍尔传感器实现对充电电能的计量。
图1  直流充电桩应用原理图
 
       直流电能表可以采用RS485通讯方式与充电桩的主控连接,在主控可以抄读电表信息,也可以根据用户需求对充电情况进行监控。通过直流电能表充电检测软件可以直观显示电动汽车在直流充电站进行快速充电时的电压、电流、功率、电量,便于各类数据的查询,以及异常情况记录的查看。
 
图2 仪表现场安装图
 
2:产品介绍
       DJSF1352-RN导轨式直流电能表带有双路直流输入,主要针对直流充电桩等应用场合而设计,该系列仪表可测量直流系统中的电压、电流、功率以及正反向电能等。在实际使用现场,即可计量总电能,又可计量规定时间段内的电能。检测的结果既可用于本地显示,又能与工控设备、计算机连接,组成测控系统。
 
图3 DJSF1352-RN产品图
3:功能介绍
       导轨式安装方式,4模大小
       电压、电流、功率等电参量测量
       正向,反向有功电能计量
       上12个月历史电能统计
       具有日历、计时和闰年自动转换功能,具有校时功能。其中广播下发的时钟误差不得大于5分钟,在零点前后十分钟内不准校时,每天只允许校时一次
       具有两套费率时段,可通过预先设置的时间实现两套费率时段的自动转换,每-485通讯接口,采用DL/T645-2007通讯协       议和Modbus-RTU协议,RS485的通讯速率可在1200bps、2400bps、4800bps、9600bps设置。
 
4:结语
       整体来看,我国新能源汽车市场前景依然向好,发展潜力巨大。随着充电站的建设,我国新能源汽车与充电桩保有量的配比也逐步趋于合理。虽然充电基础设施布局日渐完善,但与新能源汽车的保有量相比仍有不足的地方,未来还将加快增长。
 
参考文献:
[1]《开云官方端网站登录入口充电桩收费运营解决方案》
[2] 《企业微电网设计与应用手册》.2020.6
[3]《电动汽车充电桩控制工作原理研究》 韦颜祥,许虔虔


开云官方

公司简介

产品展示

Acrel-5000园区厂房能源监测管理系统 能源监测管理系统 能耗计量分析系统 光伏双向计量 学校智慧用电

服务与支持

技术文章新闻中心

联系我们

联系方式在线留言

电瓶车充电桩、电动汽车充电桩禁止非法改装!

版权所有 © 2026 开云官方端网站登录入口-开云online(中国)    备案号:

技术支持:仪表网    管理登陆    sitemap.xml

手机:TEL

13774417047

地址:ADDRESS

上海市嘉定区育绿路253号

扫码关注我们