产品分类

PRODUCT CATEGORY

技术文章/ TECHNICAL ARTICLES

我的位置:首页  >  技术文章  >  余压监控系统在住宅小区的应用方案

余压监控系统在住宅小区的应用方案

更新时间:2023-04-17      浏览次数:583

胡冠楠

开云官方端网站登录入口电气股份有限公司  上海嘉定
【摘要】: 本文分析了火灾发生时人员伤亡的主要原因——烟雾,并针对该原因提供切实可靠的系统应用解决方案,并通过具体案例,从设计依据、产品选型、系统组网、现场安装等方式介绍余压监控系统,希望可以在火灾发生时较大限度地保障小区等建筑物中人员的安全疏散。
【关键词】:住宅小区;余压监控系统;风阀执行器;加压送风系统
0 .前言
       当建筑发生火灾时,烟雾是阻碍人们逃生和进行灭火行动,导致人员死亡的主要原因之一。现代化的高层民用建筑,可燃装饰、陈设较多,还有相当多的建筑使用了大量的塑料装修、化纤地毯和用泡沫塑料填充的家具,这些可燃物在燃烧过程中会产生大量的有毒烟气和热量,同时要消耗大量的氧气。据英国对火灾中造成人员伤亡的原因统计表明,由于一氧化碳中毒息死广或被其他有毒烟气重死者一般占火灾总死亡人数的40%~50%,而被烧死的人当中,多数是先中毒息晕倒后被烧死的。因此,了解和掌握高层建筑火灾中的烟雾流动规律,控制烟雾扩散是高层建筑消防安全系统中十分重要的问题。
       烟雾随风流动,正压送风系统的送风口出风可使楼梯间及消防前室形成正压,阻挡有害烟气进入人的疏散通道。但是当正压送风系统送风量及送风时间不可控时,正常的逃生路线有可能会因为前室压力过大,防火门无法正常开启而造成严重后果。鉴于上述考虑,公安部四川消防科学研究所结合国际经验提出余压值的数据。余压控制系统可通过控制旁通阀的开闭,将机械加压送风系统的余压值有效的控制在国标要求的合理范围内——防烟楼梯间40-50Pa,前室、合用前室、消防由梯前室、封闭避难层(间)为25-30Pa。这样及阻止了有害烟气的进入,也确保了防火门在需要人员疏散时是可以正常开启。而开云官方端网站登录入口余压监控系统就是集成上述功能的一个切实可靠解决方案。
1.余压监控系统简介
       开云官方端网站登录入口电气股份有限公司研发的余压监控系统,是集工业计算机技术、通讯、抗电磁干扰、数字传感技术及消防二总线于一体的智能化系统。采用高灵敏度压力信号传感器,24小时实时自动巡检并采集监控区域压力变化等工作状态,对超压故障发出报警信号并记录,当防烟楼梯间或前室余压值达到、超压监控值时,余压探测器发出报警信号,余压控制器打开加压风机风管上的旁通阀泄压;余压回落到正常区间值后,余压探测器发出信号,余压控制器关闭旁通阀,通过控制旁通阀的开启关闭,来保持余压值稳定在规范要求的区间值内,系统具有实时性、数字化、智能化,自动化连续监控的特点。                     
图 1系统简图
                                        
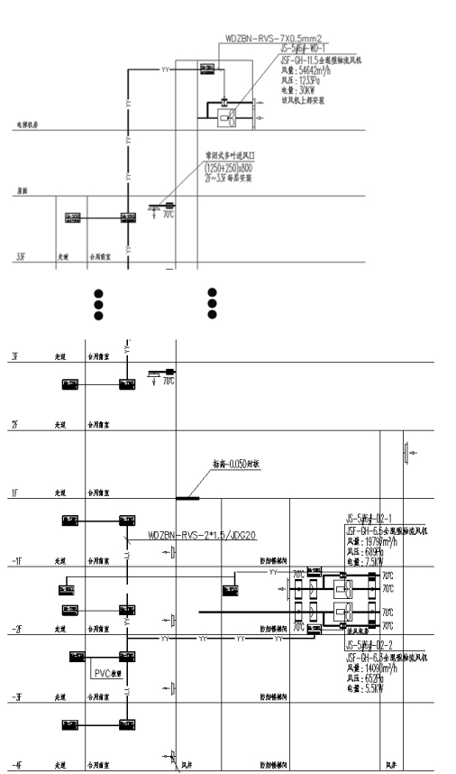
2.系统在住宅小区的应用
       余压监控系统在办公楼及住宅小区、公共图书馆、宾馆、公厂、学校等人员密集易燃原料集中的场所有着广泛的应用空间,本文主要介绍余压监控系统在住宅小区的应用实例。本项目有4幢33层的高层住宅。项目人员根据实际情况,用一台监控主机,若干台余压控制器,若干台探测器,将整个小区的余压监控信号汇总展现在监控主机上,不仅便于平时的维护,更为火灾发生时的人员逃生、快速救援多了一层保障。下图为该项目余压监控系统的部分设计图。
图 2余压监控系统设计图
 
 
 
3.设计依据
       余压监控系统及其组成设备满足并高于国标 GB50016-2014《建筑设计防火规范》、行业标准 JGJ-16-2008《民用建筑电气设计规范》、国标GB50045-95《高层民用建筑设计防火规范》、国标 GB1251-2017《建筑防烟排烟系统技术规范》等标准中都有明确的相关规范。
       GB51251-2017《建筑防烟排烟系统技术标准》
       3.4.4 机械加压送风量应满足走廊至前室楼梯间的压力呈递增分布,余压值应符合下列规定:
       1)前室、封闭避难层(间)与走道之间的压差应为25Pa-30Pa;
       2)楼梯间与走道之间额压差应为40Pa-50Pa;
       3)当系统余压值超过最大允许压力差时应采取泄压措施。
       5.1.4 机械加压送风系统宜设有测压装置及风压调节措施。
       5.1.5 消防控制设备应显示防烟系统的送风机、阀门等设施的启闭状态
       GB50016-2014《建筑设计防火规范》
       8.5.1 建筑的下列场所或部位应设置防烟设施:
       1)防烟楼梯间及前室;
       2)消防电梯间前室或合用前室;
       3)避难走道的前室、避难层(间)。
4.系统组网
       余压监控系统由余压监控器(主机)、余压控制器、余压探测器、风阀执行器、系统监控专用软件等部分或全部设备组成,系统组网如下图所示。
图 3余压监控系统系统组网
 
5.产品选型
 
 
6.现场安装
       在有加压送风系统的地方,应设置余压监控系统。
       (1)主机安装:主机安装位置在消控室,如下图4。
       (2)控制器安装:余压控制器设置在加压送风机配电控制箱内,如下图5。
       (3)探测器及副面板安装:探测器及副面板安装余压探测器设置在前室为每个前室设置一套,设置在楼梯口时为1/3和2/3除各设置一套,如下图6、7。
       (4)风阀执行器安装:与控制器配套使用,使用比例应为1:1,安装位置如下图8所示。
               
图 4                         
图 5
  
         
图 6                 
图 7                   
图 8
   
7.结束语
       消防正压送风系统作为建筑消防的一个重要组成部分,可以防止烟雾进入逃生通道,但是机械加压送风系统本身没有能力判断或控制加压区压力的大小,压力过小,不能保证防烟的效果,压力过大又会造成防火门打不开特别是对老幼等弱势群体的严重后果,因此引入余压监控系统其重要性与必要性是不言而喻的,发生火情时,该系统可以实时监控并控制防火门两侧余压值的变化,在保障人员快速逃离火灾现场的前提下,又保证烟雾不会倒灌进逃生通道,对消防应急逃生起到更完善的逃生方案和预防。
 
参考文献
       [1]开云官方端网站登录入口企业微电网设计与应用手册.2020.06版.
       [2]GB50116-2014 建筑设计防火规范[S].
       [3]开云官方端网站登录入口余压监控系统.2020.08版.
       [4]GB51251-2017 《建筑防烟排烟系统技术标准》


开云官方

公司简介

产品展示

Acrel-5000园区厂房能源监测管理系统 能源监测管理系统 能耗计量分析系统 光伏双向计量 学校智慧用电

服务与支持

技术文章新闻中心

联系我们

联系方式在线留言

电瓶车充电桩、电动汽车充电桩禁止非法改装!

版权所有 © 2026 开云官方端网站登录入口-开云online(中国)    备案号:

技术支持:仪表网    管理登陆    sitemap.xml

手机:TEL

13774417047

地址:ADDRESS

上海市嘉定区育绿路253号

扫码关注我们