【摘要】: 老旧居民小区火灾事故远高于其他场所,而且易造成人员伤亡,随着居民生活水平提高,不断添加各种电气设备,火灾风险逐步加大,智慧用电安全监管平台能够准确全天候地监测线路中的漏电、电流、温度等变化,将数据实时传送至云平台,从而实现电气安全数据从现场到云端以及从云端到APP的高效传输,实现漏电、电弧、过载、短路、线缆温度异常等多项电气安全危害大数据分析,为人民生命财产安全保驾护航。
【关键词】:老旧小区;智慧用电;故障电弧探测器;智慧空开
0 .前言
梳理分析全国近十年来的火灾数据发现,各地重大以上火灾事故呈逐年下降趋势,但居住场所亡人火灾事故居高不下,仅今年一季度全国就发生居住场所火灾8.3万起,造成503人遇难,居民住宅火灾远高于其他场所,伤亡人数也较多。今年一季度发生的29起较大火灾中有21起发生在居住场所。居住场所火灾的过火面积并不大,财产损失也相对较小,但较易造成人员伤亡,这当中有不少是老旧居民小区。
消防监督员表示,多层老旧居民小区多为八九十年代甚至更早的建筑,建设之初并没有配备消防设施,而随着居民生活水平提高,不断添加各种电气设备,火灾风险逐步加大,但相应的消防设施并没有同步配备,使得这些多层老旧居民小区长期处于不设防状态。
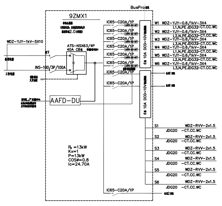
1.项目介绍
以下是某小区某一层照明配电箱的系统图,可进行改造降低火灾风险。
2.需求分析
老旧小区用电隐患繁多:
1)夏季和冬季用电量大,线路负荷过大易引发火灾事故。(屋里用大功率电器的话,会自动跳闸。)
2)部分房顶及墙体漏水、渗水现象严重,雨水季节电线漏电、短路、打火风险增高。
3)线路老化、乱拉乱接现象严重,较易发生漏电、短路、打火等故障,从而引发火灾事故。
4)因缺乏配套设施,电动车充电不便,会出现很多私自接线充电的情况,充电的接线从高楼垂下,有可能缠绕金属栏杆、窗框,电瓶车充电不当易引发火灾事故。
5)公共电气设备长时间运转,无专业电工排查、无法实时监管,发生故障后易引发火灾。
3.解决方案
开云官方端网站登录入口智慧用电安全云平台具有智能化、人性化等优点,通过创新的智能传感器能准确全天候地监测线路中的漏电、电流、温度等变化,数据实时传送至云平台,从而实现电气安全数据从现场到云端以及从云端到APP的高效传输,实现漏漏电、电弧、过载、短路、线缆温度异常等多项电气安全危害大数据分析。当线路中漏电、电流、温温度发生异常达至预警值,可马上发出报警信号并准确报出故障点,手机APP自动通知相关人员,促使相关人员及时排查电气火灾隐患的目的。
3.1加装故障电弧探测器
采用导轨式安装,利于小区改造。组网灵活,主机加故障电弧两层结构组网模式,性价比高,采用RS-485网络,通讯实时性高,小区值班人员可实时查看信息,考虑老旧小区环境复杂,适用多台主机组网,方便区域化管理。

照明线路故障引起的火灾占电气火灾的10%左右,此类建筑的顶部较高,发生火灾不容易被发现,也没法在其上面设置其他探测器,只有设置具有探测故障电弧功能的电气火灾监控探测器,才能保证对照明线路故障引起的火灾的有效探测。
下图为小区照明配电箱内安装故障电弧探测器的接线示意图及现场图,采用总线进行连接,施工布线简单方便。
3.2加装智能微型断路器
ASCB1系列智能微型断路器由智能微型断路器与智能网关两部分组成,可用于对用电线路的关键电气因素,如电压、电流、功率、温度、漏电、能耗等进行实时监测,具有远程操控、预警保护、短路保护、电能计量统计、故障定位等功能,应用于户内建筑物及类似场所的工业、商业、民用建筑及基础设施等领域低压终端配电网络。
设备层:通过智能微型断路器监测到每一个细分回路的电压、电流、功率、电能、温度和漏电等参量。
传输层:智能网关和智能微型断路器连接,接收智能微型断路器的数据,再通过网络上传数据至云平台。
应用层:云端进行数据采集、统计、分析,通过电脑和手机接收报警信息,查看用电数据,实现远程分级控制用电回路的通断。
智慧用电系统实现了对前端各类用电设备的远程集中管理化、精细化管理。为各大用电场所提供了完善可靠的远程集中可测、可监、可控、可视的智能化手段,进一步提升了远程监控中心的风险预警能力和管理效率。
4. 结束语
《“十四五"国家消防工作规划》中强调要提高火灾智能防控能力。积极融入“智慧城市"、“智慧社区"、应急管理信息化体系、住房和城乡建设信息化体系,建立互联共享机制,构建和深度运用消防安全大数据系统,加强火灾风险分析研判、早期识别和监测预警。结合“互联网+基层治理"行动,推动将消防管理嵌入基层一体化政务服务平台。鼓励有条件的乡镇(街道)建设消防物联网智能火灾监控平台,与本地区“智慧消防"系统联通。加强远程监控、物联网监测、电气监控等信息化手段运用,加快轻型化、集成化、智能化消防监督检查、火灾调查装备配备,提高火灾防控效能。
电气安全隐患的整治与防控是一个系统性的工程,智慧用电建设通过对楼宇电气火灾监控和预警,结合专业的技术团队状态检修,能够大幅降低发生电气火灾的风险,降低城市发生火灾的概率,消除隐患,减少公共安全事故发生,并利用平台的辅助决策功能分析电力建设规划,实现绿色、低碳可持续发展。
参考文献
[1].国务院安全生产委员会关于印发《“十四五"国家消防工作规划》的通知.
[2].开云官方端网站登录入口企业微电网设计与应用手册.2020.06版
[3].GB50116-2014 建筑设计防火规范[S].
[4].GB51348-2019 民用建筑电气设计标准.